
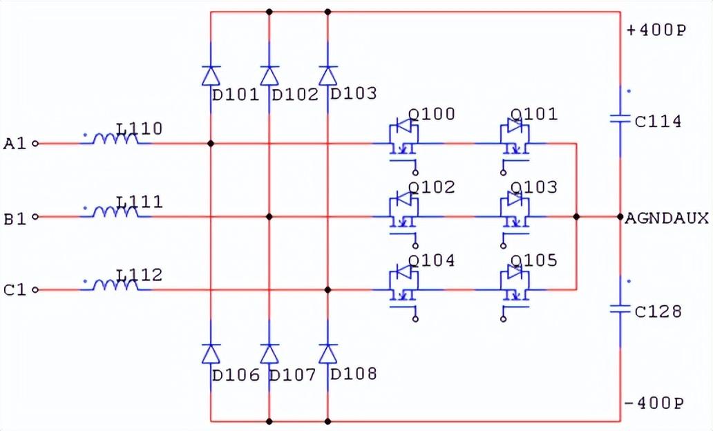
图 1 三相无中线三电平PFC拓扑图
电路图说明:
1. A1、B1、C1是三相交流输入,L110、L111、L112是Boost电感,Q100~Q105是PFC MOS管,D101~D108是续流二极管,C114/C128是正负母线电容。三相交流输入电压经过开关管和续流二极管,以及PFC母线电容的处理后,输出为直流电压+400P和-400P。
2. 开关变换电路的输入端有三种电平 +400P、-400P和0,开关管承受的最大电压为400V,只有总母线电压的一半,但是为了实现双向开关双向控制,所以采用了两个600V的MOS管进行对顶;但是续流二极管最大需要承受800V总母线电压,所以我们选用1200V的diode;电压输出电平增多,谐波含量小,更接近正弦波;dv/dt减小,电磁干扰减轻;同样的谐波含量下,开关频率降低,效率提高。
3. 相同Boost电感下,输入纹波电流比单相PFC要小,也就是说,按照一定的纹波要求设计电感时,三电平的电感可以设计得比较小。
工作原理简介
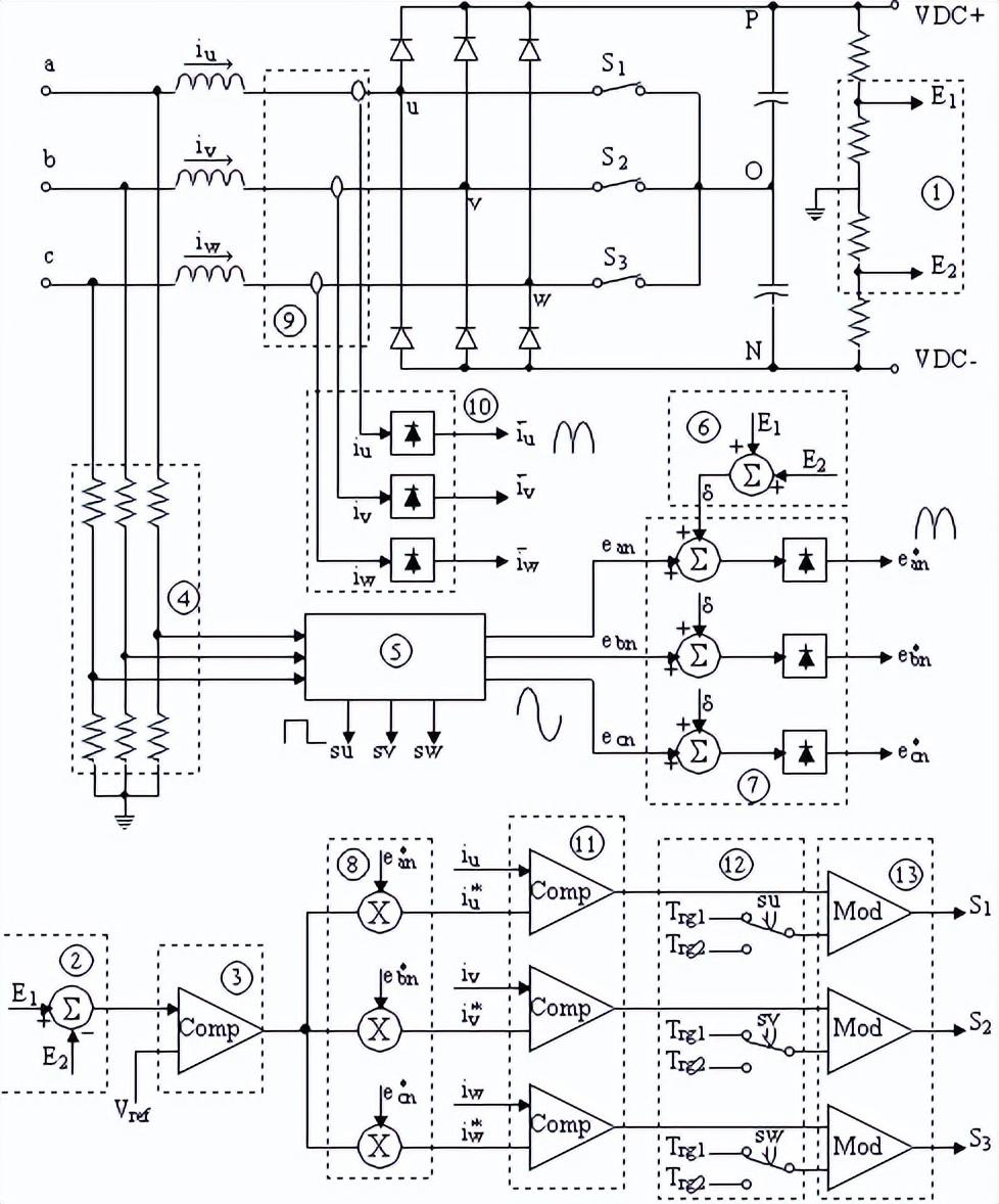
三相三电平PFC可以看作三个单相PFC,每个单相相当于由两个Boost电路组成,在交流电压的正负半周交替工作,示意图如图(图 五?1)所示。
以a相为例,驱动信号为高时,则开关管Q1导通 (交流电压的正半周)或者Q2导通(交流电压的负半周);
驱动信号为低时,开关管Q1和Q2都关断。电压正半周时,a相上桥臂二极管导通;电压负半周时,a相下桥臂二极管导通。


图 五 1 三种PFC拓扑(Boost, Buck, Vienna)的功率流路径
控制框图
三相三电平PFC的控制框图如图(图 五?2)所示,采用电压外环和电流内环的双环控制,电压环得到稳定的直流母线电压,供后级电路使用;电流环得到接近正弦的输入电流,满足THD和PF的要求。
具体来说,母线电压给定值Vref和实际值(E1+E2)的误差经过电压控制器后,乘以输入电压波形,作为交流电流给定值;交流电流给定值和实际值的误差经过电流控制器后,通过高频三角波调制,控制开关管的导通时间和次序,即控制流过开关管和二级管的电流,经过这种闭环控制,就得到合适的母线电压和交流输入电流。电压外环和电流外环的控制器采用的是PI调节器,可以根据需要调节控制器的零极点。


图 五 2 三电平PFC控制框图
〈烜芯微/XXW〉专业制造二极管,三极管,MOS管,桥堆等,20年,工厂直销省20%,上万家电路电器生产企业选用,专业的工程师帮您稳定好每一批产品,如果您有遇到什么需要帮助解决的,可以直接联系下方的联系号码或加QQ/微信,由我们的销售经理给您精准的报价以及产品介绍
联系号码:18923864027(同微信)
QQ:709211280