
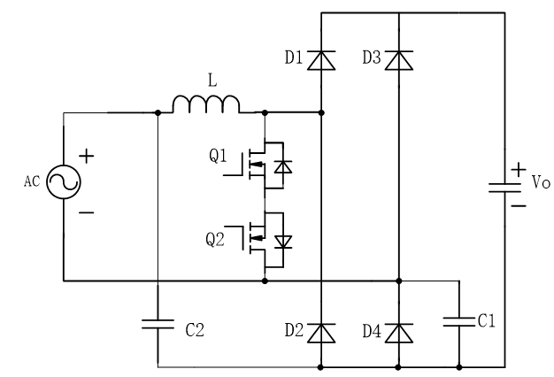
图1 双向开关无桥PFC电路拓扑
电路图说明:
Q1、Q2组成双向开关,D1、D2为快恢复二极管,D3、D4为慢恢复二极管(通常选择单个整流桥以简化设计、优化成本);理论上,D3、D4也可以使用MOS管,并可实现同步整流功能,但需增加相应的驱动电路。
为了消除在输入电压过零时刻,慢恢复二极管D3、D4两端的高频抖动电压,增加了C1、C2两个电容;
Vo为PFC母线电容输出电压;
工作原理
主电路的工作原理
该电路的开关控制器件为Q1与Q2组成的双向开关。为了驱动电路的简化,Q1、Q2的驱动方式采用同开同关控制方式。同时由于其S极是浮地的,故其驱动电路需要采用浮地驱动方式。电路中D1、D2为快恢复二极管,D3、D4为慢恢复二极管。
按照目前的器件水平,我们选择的快恢复二极管,其反向恢复时间大多为几十ns水平(SiC二极管则在几ns的水平),而常用的慢恢复二极管在相同的测试条件下,其反向恢复时间大多在几百ns水平,即慢恢复二极管的反向恢复时间要远大于快恢复二极管。该电路拓扑也正是利用了D3、D4远大于D1、D2的反向恢复特性,在交流输入正负半周时段中可以通过分别保持D3、D4的导通而使该电路拓扑获得良好的EMC特性。该电路拓扑的具体工作原理描述如下(后续的工作状态分析中,都假设各器件为理想器件):
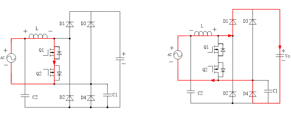
交流输入为正半周时(具体工作时序电路图请见图2,相关波形请见图4):
(a)当Q1、Q2开通时,交流输入经L、Q1、Q2通路给PFC电感L持续充电,电感电流iL线性上升。由于快恢复二极管D1反向恢复的时间要远小于D4的反向恢复时间,当Q1、Q2开通后,快恢复二极管D1很快反向截止,而D4依然处于反向恢复导通状态。D1截止后,其两端电压迅速上升为母线电压Uo,从而使D4上反向承受的电压在Q1、Q2导通期间一直为零(也可以理解D1截止后,其反向恢复通路中反向恢复电流为零,无法继续抽取D4中存储的反向恢复电荷,从而一直维持D4的反向导通状态)。D2由于Q1、Q2、D4的钳位,其两端电压为零。
(b)当Q1、Q2关断时,Q1、D2体电容充电至母线电压Uo,二极管D1、D4正向导通,电感电流沿D1、母线电容、D4续流,电感电流iL线性上升。期间,Q2由于体二极管的钳位,其DS两端电压一直为零。
由上可知,在整个正半周区间D4一直处于导通状态,D3一直处于截止状态。在交流输入正半周时刻,Q1实现开关控制,Q2的同开同关可以起到类似同步整流作用。
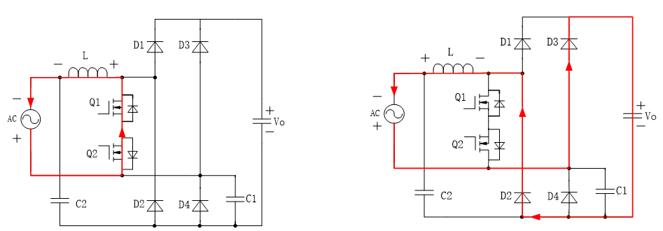
交流输入为负半周时(具体工作时序电路图请见图3,相关波形请见图5):
(a)当Q1、Q2开通时,交流输入通过Q2、Q1、L通路给PFC电感L持续充电,电感电流iL线性上升。与上面的原理相同,由于快恢复二极管D2反向恢复的时间要远小于D3的反向恢复时间很长,当Q1、Q2开通后,快恢复二极管D2很快反向截止,从而使D3一直处于反向恢复导通状态。在此期间,D1由于Q1、Q2、D3的钳位,其两端电压为零。
(b)当Q1、Q2关断时,Q2、D1充电至母线电压Uo,二极管D3、D2正向导通,电感电流沿D3、母线电容、D2续流。期间,Q1由于体二极管的钳位,其DS两端电压一直为零。
由上可知,在整个正半周区间D3一直处于导通状态,D4一直处于截止状态。在交流输入负半周时刻,则Q2实现开关控制,Q1起到类似同步整流作用。
由上面的分析可知:正是由于D3、D4的反向恢复特性,D4、D3分别在交流输出正负半周保持导通状态,即D3、D4两端电压为幅值Uo,交流输入工频的方波,从而消除了母线正负电压节点相对于交流输入L/N的PFC开关频率的电压抖动。


图2 交流输入正半周电路工作原理示意图


图3 交流输入负半周电路工作原理示意图
总结:
双向开关无桥PFC电路拓扑属于无桥PFC电路拓扑结构中的一种,其相对于双电感无桥PFC电路拓扑减少了一个电感后,依然具有很好的EMC特性。故该电路拓扑在现有的器件水平下可以很好地满足高效率高功率密度的要求(在现有的无桥拓扑中,该电路拓扑器件数仅多于图腾柱无桥PFC拓扑)。其不足之处在于:MOS管的驱动需要浮驱电路,同时电流采样也相对复杂,从而需要增加相应的驱动、采样及其辅助电源电路的成本。因此该单元电路适合于高效率高功率密度的???,对效率要求不高的??槿酝萍鍪褂么秤星臖oost PFC电路。
〈烜芯微/XXW〉专业制造二极管,三极管,MOS管,桥堆等,20年,工厂直销省20%,上万家电路电器生产企业选用,专业的工程师帮您稳定好每一批产品,如果您有遇到什么需要帮助解决的,可以直接联系下方的联系号码或加QQ/微信,由我们的销售经理给您精准的报价以及产品介绍
联系号码:18923864027(同微信)
QQ:709211280