在我们设计的电路中,不同芯片的引脚使用的电压不同,比如常见的 1.8V、3.3V、5V 等,我们需要对不同通信电平的设备进行通信就需要使用电平转换进行电平匹配,本文介绍常见的电平转换方法。
二、二极管电平转换
典型应用:上拉电阻加二极管方案


图1 二极管转换电路
适用范围:输入信号电平大于输出信号的转换电路上
优点:成本低,使用元件少
缺点:只能单向传输,且输入信号电平大于输出信号,二极管会产生较大的压降
此处二极管的选择尽量选择低压降的肖特基二极管,以保证信号传输不会因为二极管的压降过大导致电平读取出错。
工作过程分析:
当 3.3V 器件输出高电平信号,由于上拉 5V 作用,信号输入器件被上拉为 5V 电平。
当 3.3V 器件输出低电平信号,使 OUTPUT 信号被拉低,从而信号输入器件信号被拉低。
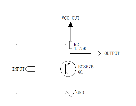
三、三极管电平转换
三极管电路基本应用如下:


图2 三极管转换电路
适用范围:输入信号电平大于输出信号的转换电路上
优点:成本低,使用元件少,相较于二极管不同的是,三极管信号输入端可以用更小的电流驱动,此处可能在某些外设驱动能力较弱的情况下更具优势
缺点:只能单向传输,且输入信号电平大于输出信号
作用范围和优缺点和二极管电路类似,三极管也会因为 PN 结产生一定的压降,从而在三极管的选型上,可以选择导通压降较低的三极管。
工作过程分析:
当 3.3V 器件输出高电平信号,由于上拉 5V 作用,信号输入器件被上拉为 5V 电平。
当 3.3V 器件输出低电平信号,导致 PNP 二极管导通,从而信号输入器件信号被拉低。
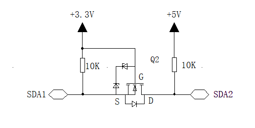
四、MOS 电平转换:
适用范围:适用于大部分需要电平转换的应用场景
优点:可以双向传输,导通压降一般较小,且传输频率可以达到很高
下面以 I2C 的其中一条信号线进行工作过程分析:


图3 MOS 管转换电路
当 SDA1 输出高电平时:MOS 管 Q1 的 Vgs = 0,MOS 管关闭,SDA2 被电阻 R3 上拉到 5V。
当 SDA1 输出低电平时:MOS 管 Q1 的 Vgs = 3.3V,大于导通电压,MOS 管导通,SDA2 通过 MOS 管被拉到低电平。
当 SDA2 输出高电平时:MOS 管 Q1 的 Vgs 不变,MOS 维持关闭状态,SDA1 被电阻 R2 上拉到 3.3V。
当 SDA2 输出低电平时:MOS 管不导通,但是它有体二极管,MOS 管里的体二极管把 SDA1 拉低到低电平,此时 Vgs 约等于 3.3V,MOS 管导通,进一步拉低了 SDA1 的电压。
五、电平转换芯片
如果信号的转换频率要求较高,而且不希望产生较大的电压压降,很多厂家都有设计专门的电平转换芯片.
下面是某厂电平转换芯片介绍,芯片特性如下:


电平转换范围广:VCC(A): 1.65 V to 3.6 V and VCC(B): 2.3 V to 5.5 V
最大数据速率:50 Mbps
多种封装
转换通道数:4
主要适用于:I2C,UART,GPIO 等
典型应用如下:
图4 NTS0104 典型应用
六、结语
电平转换的方式和电路较多,可以根据实际需要选择合适的方案,目前电平转换芯片已经很成熟,建议选择电平转换芯片会更适用于绝大多数情况。
〈烜芯微/XXW〉专业制造二极管,三极管,MOS管,桥堆等,20年,工厂直销省20%,上万家电路电器生产企业选用,专业的工程师帮您稳定好每一批产品,如果您有遇到什么需要帮助解决的,可以直接联系下方的联系号码或加QQ/微信,由我们的销售经理给您精准的报价以及产品介绍
联系号码:18923864027(同微信)
QQ:709211280