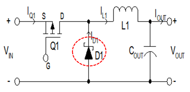
开关管的选择


一般选用N 型mos管作为开关管(下图为电流波形)


漏源间击穿电压:在开关管截止时,将会承受最大的Vds,Vds =Vin + Vf,为了考虑余量,计算时将Vds= 1.2 (Vin + Vf) ;那在选用FET时,至少要保证选用的FET 漏源间能承受住这个电压,条件允许的情况下,可以选用具有更大的Vds承受电压的FET;
平均电流:ID =IO·Dl;
峰值电流:最大电流等于电感电流的最大值IDMAX = Ipeak=Io+ ½·?I;
导通电阻:在开关管完全导通后,会有一个稳定的导通电阻Rsdon,这个值越小,消耗的功率就越少,选用FET时要特别注意。
额定功耗 :P d = ID 2·Rsdon,选用的FET要能承受这个消耗功率且要留有余量。
最低驱动电压: 要确认选用的FET所需最低的驱动电压是多少,当前设计的回路能否提供这个电压,一般来说,为了保证FET的Vgs电压,在G极和S极一般会加一个自举电容以保证达到启动电压。


二极管的选择


下图为二极管电流波形


反向击穿电压:在二极管截止时,将会承受最大的反向电压Urev,Urev =Vin, 在选取二极管时,需要选择比这个电压高的;
平均电流:ID=IO·(1-D)l峰值电流:最大电流等于电感电流的最大值,
IDMAX = Ipeak=Io + ½ · ?I;
额定功率:Pd = ID·VF,选用的二极管能承受这个消耗功率且要留有余量;
正向导通电压VF:二极管的正向导通电压VF越小,功率消耗就越小,所以要尽可能地选择VF比较小的;
反向恢复时间trr:在开关电路中,一定要选择反向恢复时间快的二极管,不然电路会工作异常。按反向恢复速度快慢分类:普通整流二极管 > 500ns ,快恢复二极管(150, 500)ns,超快恢复二极管(10,150)ns, 肖特基二极管<10 ns。


R 的选择


稳压反馈回路:
由于输出可能存在过载或轻载的情况,输出电压可能不稳,严重的话,输出端短路,出于?;さ哪康模岸嘶芈芬笆钡玫秸飧龇蠢〔⒐乇湛毓?。
那么如何进行进行这个电压反馈呢?


其原理就是用电阻对输出电压进行分压采样,然后和IC内部自带的参考电压Vref进行比较,采样电压高于或低于Vref,整个控制环节会进行工作,调节占空比。
当输出电压升高时,降低占空比,使输出电压降低;
当输出电压下降时,调高占空比,使输出电压升高从而实现稳压效果。
当输出电压稳定在我们需要的目标值时,
VFB应该等于参考电压Vref,
Vref= Vout·R2/(R2+R1)->Vout= Vref (1+ R1/R2)。
我们可以先设定R2的值,然后知道输出电压,就可以算出R1的值??悸堑较墓β剩ǖ缌鞑问┑挠跋欤琑1/R2的值选择应是上K级别的,而且需要使用1%精密度的电阻。
〈烜芯微/XXW〉专业制造二极管,三极管,MOS管,桥堆等,20年,工厂直销省20%,上万家电路电器生产企业选用,专业的工程师帮您稳定好每一批产品,如果您有遇到什么需要帮助解决的,可以直接联系下方的联系号码或加QQ/微信,由我们的销售经理给您精准的报价以及产品介绍
联系号码:18923864027(同微信)
QQ:709211280