一、电动自行车
随着环境污染问题的日益严峻,政府不断出台环保政策,例如广东最近开始的“禁塑令”。汽车尾气也是主要的环境污染源之一,洁净、环保、便捷的新能源交通工具被人们寄以改善环境的厚望,且由于中国人口基数大、交通拥堵问题严重、人均消费水平不是太高等特点,电动自行车在我国拥有了良好的发展前景。
电动自行车
二、无刷直流电机
电动自行车的电机主要采用永磁电机,按照通电方式的不同,又可分为有刷电机和无刷电机。无刷直流电机以其控制简单、调速范围广等优点,成为了电动自行车行业的主流电机。


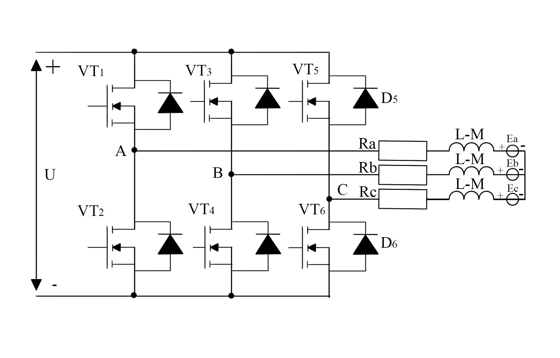
【三相全桥驱动电路】
无刷直流电机采用全桥驱动方式,电路通电顺序为A进B出、A进C出、B进C出、B进A出、C进A出、C进B出。
三、电动自行车控制器
电动自行车控制器为电动自行车的核心,其控制着无刷直流电机及其他功能部件。电动自行车控制器的自检程序会对每个??榻屑觳?,把结果转换为调速型号,控制功率放大和功率MOS管的导通和关断,进而驱动无刷直流电机旋转。
2014年,WANG LEI设计出一种基于STM8S903K3的电动执行车控制器,对无刷直流电机的控制采用上管PWM调制,下管恒通的调制方式,具有三挡变速、限速、EABS刹车、过流?;?、欠压保护、电机自动识别、助力、巡航等功能。
四、电动自行车控制器主要参数
控制器核心STM8S903K3
电压变换芯片LM317T/LM7805
蓄电池输出电压48V
工作电流15A
转把输出信号1~4.1V
当电流超过23A时,进行过电流?;?/div>
功能模块电压5V
功率MOS管驱动电路电压15V
功率开关电路电压48V


【电动自行车控制器硬件整体框图】
五、控制器驱动电路
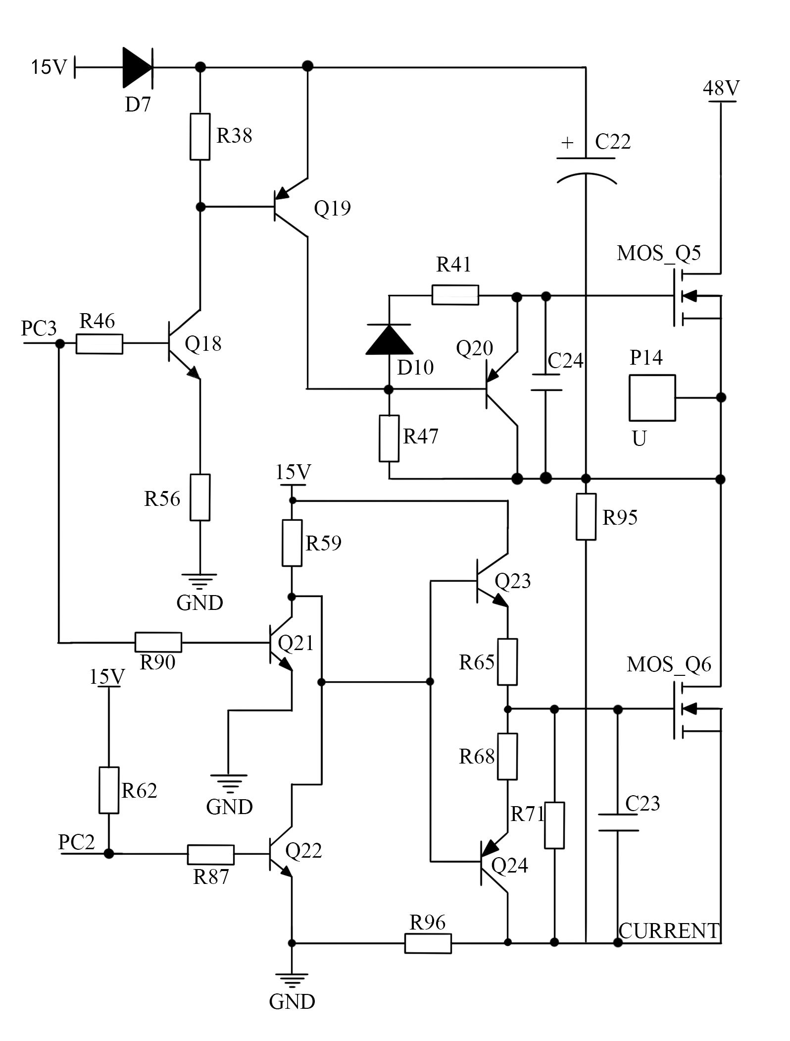
无刷直流电机的驱动电路包括功率开关电路和信号处理电路,此控制器采用自举法来驱动三相逆变电路上桥的功率MOSFET,驱动电路具有自举升压、功率放大、硬件互锁、为电机电流检测电路提供输入等功能。


【自举法驱动原理】


【U相全桥驱动电路】
〈烜芯微/XXW〉专业制造二极管,三极管,MOS管,桥堆等,20年,工厂直销省20%,上万家电路电器生产企业选用,专业的工程师帮您稳定好每一批产品,如果您有遇到什么需要帮助解决的,可以直接联系下方的联系号码或加QQ/微信,由我们的销售经理给您精准的报价以及产品介绍
联系号码:18923864027(同微信)
QQ:709211280
相关阅读