一、电动车窗类型介绍
mos管在电动车窗的关键部位——开关,占据了非常重要的位置。电动车窗开关分为功率型和信号型两种,功率型为开关直接控制车窗电动机,信号型为开关先向汽车车身控制??椋˙ody Control module,BCM)提供信号,再由BCM驱动电动车窗。
BCM成本较高,出于成本控制方面考虑,功率型电动车窗开关成本更细,使用便利,选择使用功率型电动车窗开关则成了汽车领域的应用首选。
二、电动车窗中应用MOS管可能存在的问题
电动车窗系统的继电器可能存在出点烧毁的风险,在继电器开关的过程中,触电之间存在着反电动势,产生电弧。为了解决这一问题,需要保证在开合继电器时,触电间的电势差为零,电压为零。而触电间要保持电势差不变,条件是继电器必须要一个断路中进行工作,这时线路中可以通过添加电子开关来达到想要效果。
用mosfet场效应管作为电子开关,等mos管将回路断开,继电器才开始工作,此时及电磁触电不产生电势差。


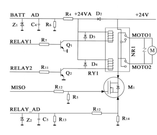
【原理图】
原理图如图所示。接通开关时,MOS管呈断开状态,继电器触电间没有电流存在所以无电势差,闭合继电器开关触电不产生电弧。待继电器闭合后,mos管再连通,马达开启,电动车窗可顺利工作。
当马达停止工作时,MOS管需要先行断开,继电器触电此时不受影响。马达关闭后,继电器触电不存在电势差,无电流,可断开继电器触电而不产生电弧。
三、选用MOSFET参数匹配
对于应用在电动车窗电流开关的mos管,其性能要求稍高,且马达的反峰电压会对mos管产生影响,需要mos管有一定的耐压能力。
采用MOS管参数为:Vds=60V;Id(Tc=25℃)=55A;Id(Tc=100℃)=34.8A;脉冲电压≤400V;Tj=-55~+150℃。
〈烜芯微/XXW〉专业制造二极管,三极管,MOS管,桥堆等,20年,工厂直销省20%,上万家电路电器生产企业选用,专业的工程师帮您稳定好每一批产品,如果您有遇到什么需要帮助解决的,可以直接联系下方的联系号码或加QQ/微信,由我们的销售经理给您精准的报价以及产品介绍
联系号码:18923864027(同微信)
QQ:709211280