如何驱动MOS?很多人的第一反应就是从单片机IO口直接输出5V来驱动MOS的开关,这样可以吗?当然是可以的,那为什么有的电路用MCU直驱,有的要用专门的驱动IC呢?这牵涉到MOS管开关速度,工作电流,热阻,导通电阻以及MOS管工作电压等的要求。特别是MOS管的GS极有一个大的寄生电容,我们必须提供足够的驱动电流来调整MOS的开关时间。我们在设计MOS管驱动电路时,要满足的首要条件就是Vgs电压大于Vth开启电压,一般来说Source极是接地的,所以我们一般关注的是Gate电压,但是在一些特殊的应用场合中,比如H桥驱动电机时,这个时候MOS管的S极可能并不直接接地,那么我们应该如何控制MOS管的开关呢?这时候就需要用到专门的MOS驱动IC了。


一.实例分析
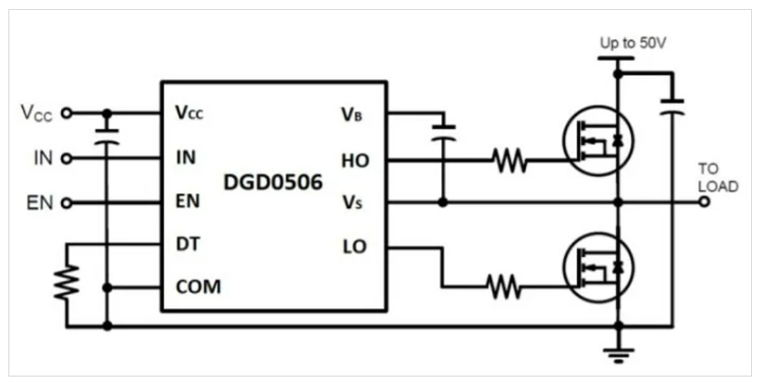
专门的驱动IC为了实现快速开关MOS,一般内部会集成自举电路,从而可以提供高于电源电压的驱动电压来快速开关MOS,以DGD0506为例,虽然该IC的供电电源电压是15V,但是它却能提供高达50V的驱动电压输出。VB和VS引脚之间的电容就是自举电容,是完成升压的核心器件。从下面的电路我们可以看出来,驱动IC的Vs引脚直接接到了MOS的Source极,这样就解决了没有GND作为Source极电压参考的问题。


另外,如果我们用分立器件搭建半桥驱动电路来驱动电机时,一旦软件出现BUG,两个MOS同时导通,相当于VCC和GND直连了,那么两个MOS上会出现很大的短路电流,可能会烧毁MOS,集成MOS内部有死去时间控制,能够从硬件上避免两个MOS同时导通的情况出现,简单来说就是我们在开启一个MOS时,会硬件延时,而这段硬件延时时间能充分保证另一个MOS已经关闭了,我们可以通过调整DT引脚上连接的电阻来调整死区?;な奔洹?br />


二总结
总结来说,使用IC驱动MOS减少了外围分立器件,并且能大大扩展驱动电压以及应用场景,当然,这也会导致成本的上升,所以还是要基于需求来搭建驱动电路,如果你得MOS管开关电路没有开关时间的要求,并且也不是驱动H桥这种电路,只是用于简单的负载开关,这个时候考虑一下电流,MOS管的温升,如果都比较合理的话,那用MCU直驱也是可以的。
〈烜芯微/XXW〉专业制造二极管,三极管,MOS管,桥堆等,20年,工厂直销省20%,上万家电路电器生产企业选用,专业的工程师帮您稳定好每一批产品,如果您有遇到什么需要帮助解决的,可以直接联系下方的联系号码或加QQ/微信,由我们的销售经理给您精准的报价以及产品介绍
联系号码:18923864027(同微信)
QQ:709211280