一.MOS管并联的问题以及解决方案
对于NMOS而言,我们在G极施加正电压,会吸引负电荷从而形成导通沟道,从MOS管的结构可以看出由于G和S以及D之间存在绝缘层,从而会产生寄生电容的问题。


当我们在开关电机这种感性负载时,当感性负载两端的压降降低后,GD之间寄生电容的存在会导致流经栅极电阻的电流增大,并且在dv/dt较大时,干扰会通过GD在栅极形成较大的干扰电压,可能会使得MOS管误导通。而GS之间的寄生电容的存在则会导致驱动波形变得畸形,MOS管的开关产生延时。


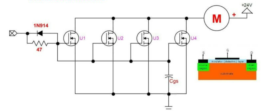
通过下图能明显看出从驱动器出来的方波驱动波形倒是MOS管栅极后就变了样,所以问题就来了,一个MOS的栅极电容可能不算什么,但是当你把几个MOS并联起来后你会发现这个时候的栅极电容已经足够大了,你完全不能忽略他了,所以你一定要测一下栅极的驱动波形,看看是不是已经畸变的不成样子了?;蛘吣阋部梢栽谏杓浦跋绕拦酪幌掠捎诩纳缛莸贾碌牟ㄐ紊仙奔?,我们可以在规格书中找到MOS的栅极寄生电容C,如果你的4个MOS并联在一起,那总电容约等于4*C,如果栅极串联的电阻是100R,那么时间常数就是4*C*100,一般3-5RC可以完成电容的充电,所以驱动波形上升时间大概是3*4*C*100。


知道了问题所在,接下来就谈谈怎么解决问题,寄生电容是MOS的固有特性,只要不换MOS型号,那么我们是没法减小MOS的寄生电容容值的,所以我们只能从减小栅极电阻R出发,把所有栅极连在一起,只用一个栅极电阻,给电阻并联一个二极管,这样MOS关断时由于二极管导通,电阻相当于被二极管短路,可以加速MOS关断?;蛘哐∮们芰Ρ冉锨康那疘C也能改善此问题。


二.总结
MOS管并联的应用,大家一定要注意驱动波形畸变的问题,特别是在PWM模式下工作时,驱动频率高的话可能会出问题,这些都是需要我们在前期设计就要考虑。
〈烜芯微/XXW〉专业制造二极管,三极管,MOS管,桥堆等,20年,工厂直销省20%,上万家电路电器生产企业选用,专业的工程师帮您稳定好每一批产品,如果您有遇到什么需要帮助解决的,可以直接联系下方的联系号码或加QQ/微信,由我们的销售经理给您精准的报价以及产品介绍
联系号码:18923864027(同微信)
QQ:709211280