MOS管的工作状态一共有两种:增强型和耗尽型两类又有N沟道和P沟道之分。
MOS管是金属(metal)、氧化物(oxide)、半导体(semiconductor)场效应晶体管,或者称是金属—绝缘体(insulator)、半导体。MOS管的source和drain是可以对调的,他们都是在P型backgate中形成的N型区。在多数情况下,这个两个区是一样的,即使两端对调也不会影响器件的性能。这样的器件被认为是对称的。
如何判断mos管工作状态-N沟道增强型MOS场效应管
1. VGS对ID及沟道的控制作用
① VGS=0 的情况
从图1(a)可以看出,增强型MOS管的漏极D和源极S之间有两个背靠背的PN结。当栅——源电压VGS=0时,即使加上漏——源电压VDS,而且不论VDS的极性如何,总有一个PN结处于反偏状态,漏——源极间没有导电沟道,所以这时漏极电流ID≈0。
② VGS>0 的情况
若VGS>0,则栅极和衬底之间的SiO2绝缘层中便产生一个电场。电场方向垂直于半导体表面的由栅极指向衬底的电场。这个电场能排斥空穴而吸引电子。
排斥空穴:使栅极附近的P型衬底中的空穴被排斥,剩下不能移动的受主离子(负离子),形成耗尽层。吸引电子:将 P型衬底中的电子(少子)被吸引到衬底表面。
2. 导电沟道的形成:
当VGS数值较小,吸引电子的能力不强时,漏——源极之间仍无导电沟道出现,如图1(b)所示。VGS增加时,吸引到P衬底表面层的电子就增多,当VGS达到某一数值时,这些电子在栅极附近的P衬底表面便形成一个N型薄层,且与两个N+区相连通,在漏——源极间形成N型导电沟道,其导电类型与P衬底相反,故又称为反型层,如图1(c)所示。VGS越大,作用于半导体表面的电场就越强,吸引到P衬底表面的电子就越多,导电沟道越厚,沟道电阻越小。
开始形成沟道时的栅——源极电压称为开启电压,用VT表示。
上面讨论的N沟道MOS管在VGS<VT时,不能形成导电沟道,管子处于截止状态。只有当VGS≥VT时,才有沟道形成。这种必须在VGS≥VT时才能形成导电沟道的MOS管称为增强型MOS管。沟道形成以后,在漏——源极间加上正向电压VDS,就有漏极电流产生。


VDS对ID的影响
如图(a)所示,当VGS>VT且为一确定值时,漏——源电压VDS对导电沟道及电流ID的影响与结型场效应管相似。
漏极电流ID沿沟道产生的电压降使沟道内各点与栅极间的电压不再相等,靠近源极一端的电压最大,这里沟道最厚,而漏极一端电压最小,其值为VGD=VGS-VDS,因而这里沟道最薄。但当VDS较小(VDS)
随着VDS的增大,靠近漏极的沟道越来越薄,当VDS增加到使VGD=VGS-VDS=VT(或VDS=VGS-VT)时,沟道在漏极一端出现预夹断,如图2(b)所示。再继续增大VDS,夹断点将向源极方向移动,如图2(c)所示。由于VDS的增加部分几乎全部降落在夹断区,故ID几乎不随VDS增大而增加,管子进入饱和区,ID几乎仅由VGS决定。
如何判断mos管工作状态-N沟道增强型MOS场效应管


(1)结构:N沟道耗尽型MOS管与N沟道增强型MOS管基本相似。
(2)区别:耗尽型MOS管在VGS=0时,漏——源极间已有导电沟道产生,而增强型MOS管要在VGS≥VT时才出现导电沟道。
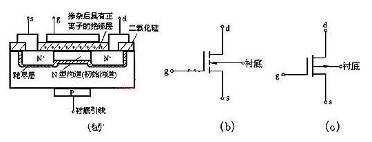
(3)原因:制造N沟道耗尽型MOS管时,在SiO2绝缘层中掺入了大量的碱金属正离子Na+或K+(制造P沟道耗尽型MOS管时掺入负离子),如图1(a)所示,因此即使VGS=0时,在这些正离子产生的电场作用下,漏——源极间的P型衬底表面也能感应生成N沟道(称为初始沟道),只要加上正向电压VDS,就有电流ID。
如果加上正的VGS,栅极与N沟道间的电场将在沟道中吸引来更多的电子,沟道加宽,沟道电阻变小,ID增大。反之VGS为负时,沟道中感应的电子减少,沟道变窄,沟道电阻变大,ID减小。当VGS负向增加到某一数值时,导电沟道消失,ID趋于零,管子截止,故称为耗尽型。沟道消失时的栅-源电压称为夹断电压,仍用VP表示。与N沟道结型场效应管相同,N沟道耗尽型MOS管的夹断电压VP也为负值,但是,前者只能在VGS<0的情况下工作。而后者在VGS=0,VGS>0。
N沟道增强型MOS管MOS管曲线和电流方程


输出特性曲线
N沟道增强型MOS管的输出特性曲线如图1(a)所示。与结型场效应管一样,其输出特性曲线也可分为可变电阻区、饱和区、截止区和击穿区几部分。转移特性曲线
转移特性曲线如图1(b)所示,由于场效应管作放大器件使用时是工作在饱和区(恒流区),此时iD几乎不随vDS而变化,即不同的vDS所对应的转移特性曲线几乎是重合的,所以可用VDS大于某一数值(VDS>VGS-VT)后的一条转移特性曲线代替饱和区的所有转移特性曲线.?ID与VGS的近似关系。
与结型场效应管相类似。在饱和区内,ID与VGS的近似关系式为:


P沟道耗尽型MOS管
P沟道MOSFET的工作原理与N沟道MOSFET完全相同,只不过导电的载流子不同,供电电压极性不同而已。这如同双极型三极管有NPN型和PNP型一样。
〈烜芯微/XXW〉专业制造二极管,三极管,MOS管,桥堆等,20年,工厂直销省20%,上万家电路电器生产企业选用,专业的工程师帮您稳定好每一批产品,如果您有遇到什么需要帮助解决的,可以直接联系下方的联系号码或加QQ/微信,由我们的销售经理给您精准的报价以及产品介绍
〈烜芯微/XXW〉专业制造二极管,三极管,MOS管,桥堆等,20年,工厂直销省20%,上万家电路电器生产企业选用,专业的工程师帮您稳定好每一批产品,如果您有遇到什么需要帮助解决的,可以直接联系下方的联系号码或加QQ/微信,由我们的销售经理给您精准的报价以及产品介绍
联系号码:18923864027(同微信)
QQ:709211280