一、 MOS管的半导体结构
作为半导体器件,它的来源还是最原始的材料,掺杂半导体形成的 P 和 N 型物质。


那么,在半导体工艺里,如何制造 MOS 管的?


这就是一个 NMOS 的结构简图,一个看起来很简单的三端元器件。具体的制造过程就像搭建积木一样,在一定的地基(衬底)上依据设计一步步“盖”起来。


MOS 管的符号描述为:


二、 MOS管的工作机制
以增强型 MOS 管为例,我们先简单来看下 MOS 管的工作原理。
由上图结构我们可以看到 MOS 管类似三极管,也是背靠背的两个PN结!三极管的原理是在偏置的情况下注入电流到很薄的基区通过电子-空穴复合来控制CE之间的导通,MOS 管则利用电场来在栅极形成载流子沟道来沟通DS之间。


如上图,在开启电压不足时,N区和衬底P之间因为载流子的自然复合会形成一个中性的耗尽区。
给栅极提供正向电压后,P区的少子(电子)会在电场的作用下聚集到栅极氧化硅下,最后会形成一个以电子为多子的区域,叫反型层,称为反型因为是在P型衬底区形成了一个N型沟道区。这样DS之间就导通了。
下图是一个简单的MOS管开启模拟:




这是MOS管电流Id随Vgs变化曲线,开启电压为1.65V。下图是MOS管的IDS和VGS与VDS 之间的特性曲线图,类似三极管。


下面我们先从器件结构的角度看一下MOS管的开启全过程。
1、Vgs对MOS管的开启作用


一定范围内 Vgs>Vth,Vds
Vgs为常数时,Vds上升,Id近似线性上升,表现为一种电阻特性。
Vds为常数时,Vgs上升,Id近似线性上升,表现出一种压控电阻的特性。
即曲线左边


2、Vds对MOS管沟道的控制


当Vgs>Vth,Vds
当Vds>Vgs-Vth后,我们可以看到因为DS之间的电场开始导致右侧的沟道变窄,电阻变大。所以电流Id增加开始变缓慢。当Vds增大一定程度后,右沟道被完全夹断了!


此时DS之间的电压都分布在靠近D端的夹断耗尽区,夹断区的增大即沟道宽度W减小导致的电阻增大抵消了Vds对Id的正向作用,因此导致电流Id几乎不再随Vds增加而变化。此时的D端载流子是在强电场的作用下扫过耗尽区达到S端!


这个区域为 MOS 管的恒流区,也叫饱和区,放大区。
但是因为有沟道调制效应导致沟道长度 L 有变化,所以曲线稍微上翘一点。
重点备注:MOS管与三极管的工作区定义差别
三极管的饱和区:输出电流 Ic 不随输入电流 Ib 变化。
MOS 管的饱和区:输出电流 Id 不随输出电压 Vds 变化。






3、击穿
Vgs 过大会导致栅极很薄的氧化层被击穿损坏。
Vds 过大会导致D和衬底之间的反向PN结雪崩击穿,大电流直接流入衬底。
三、 MOS管的开关过程分析
如果要进一步了解MOS管的工作原理,剖析MOS管由截止到开启的全过程,必须建立一个完整的电路结构模型,引入寄生参数,如下图。


详细开启过程为:


t0~t1阶段:栅极电流对Cgs和Cgd充电,Vgs上升到开启电压Vgs(th),此间,MOS没有开启,无电流通过,即MOS管的截止区。在这个阶段,显然Vd电压大于Vg,可以理解为电容 Cgd 上正下负。


t1~t2阶段:Vgs达到Vth后,MOS管开始逐渐开启至满载电流值Io,出现电流Ids,Ids与Vgs呈线性关系,这个阶段是MOS管的可变电阻区,或者叫线性区。


t2~t3阶段:在MOS完全开启达到电流Io后,栅极电流被完全转移到Ids中,导致Vgs保持不变,出现米勒平台。在米勒平台区域,处于MOS管的饱和区,或者叫放大区。
在这一区域内,因为米勒效应,等效输入电容变为(1+K)Cgd。
米勒效应如何产生的:
在放大区的 MOS管,米勒电容跨接在输入和输出之间,为负反馈作用。具体反馈过程为:Vgs增大>mos开启后Vds开始下降>因为米勒电容反馈导致Vgs也会通过Cgd放电下降。这个时候,因为有外部栅极驱动电流,所以才会保持了Vgs不变,而Vds还在下降。


t3~t4阶段:渡过米勒平台后,即Cgd反向充电达到Vgs,Vgs继续升高至最终电压,这个电压值决定的是MOS管的开启阻抗Ron大小。


我们可以通过仿真看下具体过程:






由上面的分析可以看出米勒平台是有害的,造成开启延时,不能快速进入可变电阻区,导致损耗严重,但是这个效应又是无法避免的。
目前减小 MOS 管米勒效应的几种措施:
a:提高驱动电压或者减小驱动电阻,目的是增大驱动电流,快速充电。但是可能因为寄生电感带来震荡问题。


b:ZVS 零电压开关技术是可以消除米勒效应的,即在 Vds 为 0 时开启沟道,在大功率应用时较多。
c:栅极负电压驱动,增加设计成本。




d: 有源米勒钳位。即在栅极增加三极管,关断时拉低栅极电压。




四、 MOS管的驱动应用
上面已经详细介绍了 MOS 管的工作机制,那么我们再来看 datasheet 这些参数就一目了然了。


极限值参数代表应用时的最高范围,功耗和散热是高功率应用时的重点。



功率应用中尤其考虑导通电阻、米勒电容等,高速应用中重点考虑寄生电容。
漏电流的参数一般影响的是大规模集成芯片的功耗。
反向恢复时间是一个重要参数,它表示 MOS 管由开启到截止的恢复时间,时间太长会极大影响速度和功耗。


体二极管:
在分立器件NMOS管中,S端一般衬底,所以导致DS之间有一个寄生二极管。
但是在集成电路内部,S端接低电位或者高电位,不一定接衬底,所以就不存在寄生二极管。


寄生二极管具有?;?MOS 管的作用,导出瞬间反向的大电流。
MOS 的驱动是应用设计的重点,接下来我们聊聊有哪些驱动方式和特点。
4.1直接驱动
驱动芯片直接输出 PWM 波


特点:驱动环路距离不能太远,否则因为寄生电感降低开关速度和导致振铃。另外,一般驱动器也难以提供很大的驱动电流。
4.2推挽式驱动
PWM 驱动通过推挽结构来驱动栅极


特点:实现较小的驱动环路和更大的驱动电流,栅极电压被钳位在 Vb+Vbe 和 GND 与Vbe 之间。
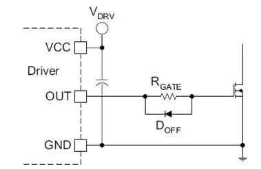
4.3栅极驱动加速电路


并联二极管可以分流,但是随着电压降低,二极管逐渐失去作用。


4.4 PNP关断电路


特点:PNP 在关断时形成短路放电,但是无法完全为 0,二极管 Don 可以钳位防止三极管击穿。
〈烜芯微/XXW〉专业制造二极管,三极管,MOS管,桥堆等,20年,工厂直销省20%,上万家电路电器生产企业选用,专业的工程师帮您稳定好每一批产品,如果您有遇到什么需要帮助解决的,可以直接联系下方的联系号码或加QQ/微信,由我们的销售经理给您精准的报价以及产品介绍
联系号码:18923864027(同微信)
QQ:709211280