光耦驱动继电器电路图(一)


注:
1U1-1脚可接12V,也可接5V,1U1导通,1Q1导通,1Q1-3=0V,线圈两端电压为11.7V.
1U1-1脚不接或接地,1U1不通,1Q1截止,1Q1-3=11.9V,线圈两端电压为0V。


注:
“DYD_CPU_OUT”连接LPC2367,输出高低电平,高电平,1U4不通,1Q7不通,UCE=12V,1Q7-3=12V,线圈两端电压为0V。
DYD_CPU_OUT”为低电平,1U4导通,U43=1V,U3=11V,UCE=0V,1Q1-3=0V,线圈两端电压为11.7V。以上两图是低电平使能。
这两种适用于CPU初始化时,GPIO口为高电平的情况,否则初始化会造成误动作。


“DYD_CPU_OUT”连接LPC2367,输出高低电平,低电平,1U4不通,1Q7不通,UCE=12V,1Q7-3=12V,线圈两端电压为0V。
“DYD_CPU_OUT”为高电平,1U4导通,U43=1V,U3=11V,UCE=0V,1Q1-3=0V,线圈两端电压为11.7V。此图是高电平使能。继电器的常闭触点接负载。
第2和第3图中的1R16换成510欧,1R7换成1K,否则会有上电瞬间,高电平干扰。尤其是第3图,高电平使能。
光耦驱动继电器电路图(二)
继电器开关??橛蒚LP521 -4 、ULN2803 和SRD -12VDC 及三极管构成,由微控制器输出的信号经过三极管构成的开关电路送往TLP521 -4 光耦芯片再通过ULN2803 达林顿管的放大后用来驱动SRD-12DC 继电器, 进而达到控制空调的各种开关的作用, 继电器开关控制??橛胛⒖刂破鞯牡缏妨油既缤? 所示。


光耦驱动继电器电路图(三)
24V继电器的驱动电路


说明:VCC是5V。
继电器串联RC电路:
这种形式主要应用于继电器的额定工作电压低于电源电压的电路中。当电路闭合时,继电器线圈由于自感现象会产生电动势阻碍线圈中电流的增大,从而延长了吸合时间,串联上RC电路后则可以缩短吸合时间。原理是电路闭合的瞬间,电容C两端电压不能突变可视为短路,这样就将比继电器线圈额定工作电压高的电源电压加到线圈上,从而加快了线圈中电流增大的速度,使继电器迅速吸合。电源稳定之后电容C不起作用,电阻R起限流作用。
基极和发射极的电阻的作用是:在没有正向偏置电压的情况下,保证基极的电压为零,防止三极管的受外部的干扰而误导通,其实就是为了保证可靠性。具体的阻值的大小倒不绝对,10K、100K都可以的,只是起到下拉的作用,电流非常很小的。此继电器驱动电路已经验证通过,开和关状态良好,实际应用中最好把5V、24V两组直流电源的地分开,再配合光藕实现真正的隔离效果。
光耦驱动继电器电路图(四)
用光耦驱动继电器电路




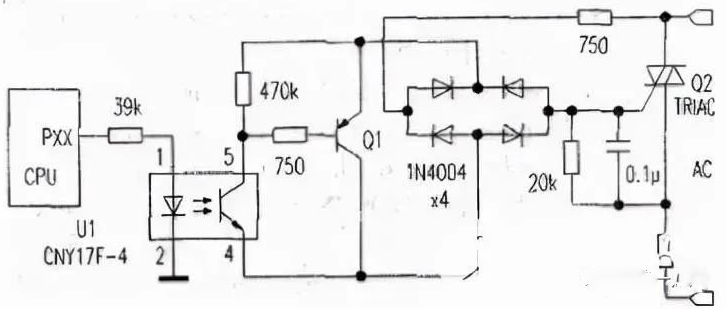
光耦驱动继电器电路图(五)
用光电耦合器用隔离驱动电路
微机的接口电路中,实现主机与外设的隔离,一般有两种方式:一种是使用继电器;另一种是使用光电耦合器。
采用电池的功耗产品,对电池的电能消耗是需优先考虑的,附图的电路采用光电耦合器作为隔离,电池的消耗电流可低至50μA以下,但驱动器提供的电流大于1A。
此电路对元件的要求比较高,光电耦合器U1只能采用型号为CNY17F-4的正品元件,实验中试过十多种光电耦合器,仅此型号输入电流50μA时,电路即可工作,其余光电耦合器驱动电流都需几百微安以上。


Q1、Q2的耐压可根据两管工作输入电压的大小而定,若输入电压大于220V,需使用耐压高于400V的三极管与可控硅。
另外,对Q1要求穿透电流要小,对功率没有要求。对Q2要求触发电流小于15mA,否则可能会出现负半周削波的现象。
〈烜芯微/XXW〉专业制造二极管,三极管,MOS管,桥堆等,20年,工厂直销省20%,上万家电路电器生产企业选用,专业的工程师帮您稳定好每一批产品,如果您有遇到什么需要帮助解决的,可以直接联系下方的联系号码或加QQ/微信,由我们的销售经理给您精准的报价以及产品介绍
联系号码:18923864027(同微信)
QQ:709211280