继电器是控制电路中常用的一种元件,利用电磁感应原理,控制某一回路的接通或断开,实现用小电流控制大电流,从而减小控制开关触点的电流负荷,?;た卮サ悴槐簧帐础5绱攀郊痰缙饕话阌商?、线圈、衔铁、回位弹簧、触点等组成。
继电器在电气控制回路中广泛使用,例如中间继电器、时间继电器、合闸继电器、跳闸继电器等等。
继电器按接通及断开方式可分为??痰缙鳌⒊1占痰缙?,以及常开、常闭混合型继电器,常见的几种继电器如下图所示。


继电器的工作原理
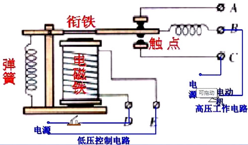
继电器的工作原理如下图所示,在线圈两端加上一定的电压,线圈中就会流过一定的电流,从而产生电磁效应,衔铁就会在电磁力吸引的作用下克服返回弹簧的拉力吸向铁芯,从而带动衔铁的动触点与静触点(常开触点)吸合。当线圈断电后,电磁的吸力也随之消失,衔铁就会在弹簧的反作用力返回原来的位置,使动触点与原来的静触点(常闭触点)释放。


这样吸合、释放,从而达到了在电路中的导通、切断的目的。对于继电器的“常开、常闭”触点,可以这样来区分:继电器线圈未通电时处于断开状态的静触点,称为“??サ?rdquo;;处于接通状态的静触点称为“常闭触点”。
电路原理
继电器是一种当输入量变化到某一定值时,其触头(或电路)即接通 或分断交直流小容量控制回路。由永久磁铁保持释放状态,加上工作电压后,电磁感应使衔铁与永久磁铁产生吸引和排斥力矩,产生向下的运动,最后达到吸合状态。
继电器接线图
五脚继电器接线图


接线原理:继电器一般都有能反映一定输入变量(如电流、电压、功率、阻抗、频率、温度、压力、速度、光等)的感应机构(输入部分);有能对被控电路实现“通”、“断”控制的执行机构(输出部分);
在继电器的输入部分和输出部分之间,还有对输入量进行耦合隔离,功能处理和对输出部分进行驱动的中间机构(驱动部分)。
中间继电器接线图
5和6是一对公共端子,1和 2是一对常闭触点,3和4是一对??サ?。7、8不通电时,5—6和1—2接通,通电后就会断开1—2,而5—6不断,再和3—4接通。


一般中间继电器是双刀双掷开关,7—8端子接内部的线圈,使用时会并联一个续流二极管,二极管接入时的极性和继电器端子标注相反(8+接二级管的负极,7-接二级管的正极)。
达到预定值时,继电器会工作驱动电路断开,那一瞬间会因为自感电压产生很高的的电流,而这个电流会流过续流二级管,而不会经过起到电路,从而?;ち说缏分械脑?。
继电器电路图分享
继电器电路图一


继电器电路图二


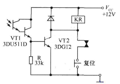
光耦驱动继电器电路图

〈烜芯微/XXW〉专业制造二极管,三极管,MOS管,桥堆等,20年,工厂直销省20%,上万家电路电器生产企业选用,专业的工程师帮您稳定好每一批产品,如果您有遇到什么需要帮助解决的,可以直接联系下方的联系号码或加QQ/微信,由我们的销售经理给您精准的报价以及产品介绍

〈烜芯微/XXW〉专业制造二极管,三极管,MOS管,桥堆等,20年,工厂直销省20%,上万家电路电器生产企业选用,专业的工程师帮您稳定好每一批产品,如果您有遇到什么需要帮助解决的,可以直接联系下方的联系号码或加QQ/微信,由我们的销售经理给您精准的报价以及产品介绍
联系号码:18923864027(同微信)
QQ:709211280