镇流器(ballast resistor)是日光灯上起限流作用和产生瞬间高压的设备,是一种限制通过电气负载的电流的装置,用于限制电路中的电流量。
当通过负载的电流增加时负载(例如电弧放电)的端电压下降时,最常使用这些。 如果这样的设备连接到恒压电源,它会吸收越来越多的电流,直到它被毁坏或导致电源出现故障。 为了防止这种情况,镇流器提供了一个限制电流的正电阻或电抗。 镇流器通过限制电流提供负电阻装置的正常操作。


镇流器(ballast resistor)是日光灯上起限流作用和产生瞬间高压的设备,在硅钢制作的铁芯上缠漆包线制作而成,这样的带铁芯的线圈,在瞬间开/关上电时,就会自感产生高压,加在日光灯管的两端的电极(灯丝)上。
这个动作是交替进行的,当启辉器(跳泡)闭合时,灯管的灯丝通过镇流器限流导通发热;当启辉器开路时,镇流器就会自感产生高压加在灯管的两端灯丝上,灯丝发射电子轰击管壁的萤光粉发光,启辉器反复几次通断,就会反复几次这样的动作,从而打通灯管。
当灯管正常发光时,内阻变小,启辉器就始终保持开路状态,这样电流就稳定的通过灯管、镇流器工作了,使灯管正常发光。镇流器分电子镇流器和电感镇流器。
镇流器在电路中的作用:
1.限制电路中的电流,使灯管正常稳定地工作。
2.在电路中产生瞬间高压,击穿日光灯的两端的气体使之放电。
镇流器工作原理
电感镇流器
当开关闭合电路中施加220V 50HZ的交流电源时,电流流过镇流器,灯管灯丝启辉器给灯丝加热(启辉器开始时是断开的,由于施加了一个大于190V以上的交流电压,使得启辉器内的跳泡内的气体弧光放电,使得双金属片加热变形,两个电极靠在一起,形成通路给灯丝加热),当启动器的两个电极靠在一起,由于没有弧光放电,双金属片冷却,两极分开,由于电感镇流器呈感性,当电路突然中断时,在灯两端会产生持续时间约1ms的600V-1500V的脉冲电压,其确切的电压值取决于灯的类型,在放电的情况下,灯的两端电压立即下降,此时镇流器一方面对灯电流进行限制作用,另一方面使电源电压和灯的工作电流之间产生55°到65°的相位差,从而维持灯的二次启动电压,使灯能更稳定的工作。
电感镇流由于结构简单,作为第一种荧光灯配合工作的镇流器,市场占有率还比较大,由于它的功率因数低,低电压启动性能差,耗能笨重,频闪等诸多缺点,它的市场慢慢地被电子镇流器所取代,电感镇流器能量损耗:40W(灯管功率)+10W(电感镇流器自身发热损耗)等于整套灯具总耗电为50W。
电子镇流器
电子镇流器是一个将工频交流电源转换成高频交流电源的变换器,工作原理是:
工频电源经过射频干扰(RFI)滤波器,全波整流和无源(或有源)功率因素校正器(PPFC或APFC)后,变为直流电源。通过DC/AC变换器,输出20K-100KHZ的高频交流电源,加到与灯连接的LC串联谐振电路加热灯丝,但使灯管“放电”变成“导通”状态,再进入发光状态,此时高频电感起限制电流增大的作用,保证灯管获得正常工作所需的灯电压和灯电流,为了提高可靠性,常增设各种保护电路,如异常?;ぃ擞康缪购偷缌鞅;ぃ露缺;さ鹊?。
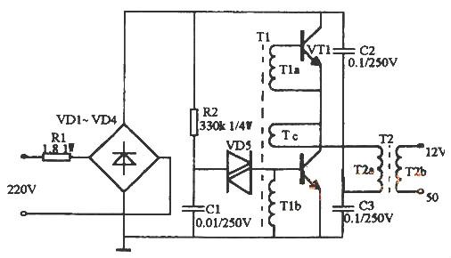
55w电子镇流器电路图(一)
电路如下图所示。其工作原理与开关电源相似,二极管VD1~VD4构成整流桥把市电变成直流电,由振荡变压器T1,三极管VT1、VT2组成的高频振荡电路,将脉动直流变成高频电流,然后由铁氧体输出变压器T2对高频高压脉冲降压,获得所需的电压和功率。R1为限流电阻。电阻R2、电容C1和双向触发二极管VD5构成启动触发电路。三极管VT1、VT2选用S13005,其B为15~20倍。也可用C3093等BUceo》=35OV的大功率三极管。触发二极管VD5选用32V左右的DB3或VR60。振荡变压器可自制,用音频线绕制在H7X10X6的磁环上。TIa、T1b绕3匝,Tc绕1匝。铁氧体输出变压器T2也需自制,磁心选用边长27mm、宽20mm、厚10mm的EI型铁氧体。T2a用直径为0.45mm高强度漆包线绕100匝,T2b用直径为1.25mm高强度漆包线绕8匝。二极管VD1~VD4选用IN4007型,双向触发二极管选用DB3型,电容C1~C3选用聚丙聚酯涤纶电容,耐压250V。
50w电子镇流器电路图


电路工作时,A点工作电压约为12V;B点约为25V;C点约为105V;D点约为10V。如果电压不满足上述数值,或电路不振荡,则应检查电路有无错焊、漏焊或虚焊。然后再检查VT1、VT2是否良好,T1a、T1b的相位是否正确。整个电路装调成功后,可装入用金属材料制作的小盒内,发利于屏蔽和散热,但必须注意电路与外壳的绝缘。引外,改变T2a、b二线圈的匝数,则可改变输出的高频电压
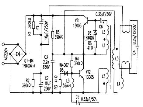
55w电子镇流器电路图(二)
电路如下图所示。该电路由整流滤波电容、高频振荡电路以及输出负载屯路三部分构成。


交流220V经整流滤波输出约300V直流为振荡电路提供电源。开机后,电源经R5对C3充电,使Vc3迅速升高,从而使VT2迅速达到饱和导通;此时由于T的反馈作用使VTI截止。VT2一旦导通,则Vc3下降,流过L2的电流减小,引起L2两端一个上负下正的电压。据同名端原则,L1得到上正下负的反馈电压,从而使VTI迅速饱和导通,同时T的正反馈作用又使VT2迅速截止,如此周而复始形成振荡方波(R6D6、R3D5起续流作用)。负载回路由L3、L4、C4构成。VTI、VT2产生的高频振荡方波由L3加给负载作激励源。灯管点亮前,由C4、L4等形成很大的谐振电梳流过灯丝,使管内氢气电离,进而使水银变为水银蒸汽,C4两端的高电压又使水银蒸汽形成弧光放电,激发管壁荧光粉发光。灯管点亮后,C4基本上不起作用,此时L4则起阻流作用。
〈烜芯微/XXW〉专业制造二极管,三极管,MOS管,桥堆等,20年,工厂直销省20%,上万家电路电器生产企业选用,专业的工程师帮您稳定好每一批产品,如果您有遇到什么需要帮助解决的,可以直接联系下方的联系号码或加QQ/微信,由我们的销售经理给您精准的报价以及产品介绍
联系号码:18923864027(同微信)
QQ:709211280