三端稳压器有三个引脚,分别为输入端、输出端和地(公共端),按功能可分为固定式稳压电路和可调式稳压电路,固定式就是输出电压为固定的,而可调式可以通过外接元件使输出电压得到很宽的调节范围。
三端稳压器主要有两种,一种输出电压是固定的,称为固定输出三端稳压器,另一种输出电压是可调的,称为可调输出三端稳压器,其基本原理相同,均采用串联型稳压电路。在线性集成稳压器中,由于三端稳压器只有三个引出端子,具有外接元件少,使用方便,性能稳定,价格低廉等优点,因而得到广泛应用。
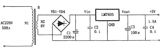
固定式三端稳压器:
三端稳压器的通用产品有78系列(正电源)和79系列(负电源),输出电压由具体型号中的后面两个数字代表,有5V,6V,8V,9V,12V,15V,18V,24V等档次。输出电流以78(或79)后面加字母来区分L表示0.1;AM表示0.5A,无字母表示1.5A,如78L05表示5V 0.1A。
固定式三端稳压器典型应用电路


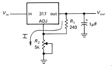
可调式三端稳压器:
可调式三端稳压器和固定式同样有三个引脚,分别为输入端、输出端和调整端??傻魇饺思晌妊蛊魇涑龅缪箍傻?,稳压精度高,输出纹波小,只需外接两只不同的电阻,即可获得各种输出电压。三端可调式稳压器品种繁多,如正压输出的317(217/117)系列、123系列、138系列、140系列、150系列;负压输出的337系列等,它的线性调整率和负载调整率要比固定式稳压器好。
可调式三端稳压器应用电路


可调式三端稳压器的主要应用就是实现输出电压可调的稳压电路,所以外接采样电稳压电路不可缺少的部分,其317典型电路如上图。
三端稳压器使用注意
在使用时必须注意:(VI)和(Vo)之间的关系,以7805为例,该三端稳压器的固定输出电压是5V,而输入电压至少大于7V,这样输入/输出之间有2-3V及以上的压差。使调整管保证工作在放大区。但压差取得大时,又会增加集成块的功耗,所以,两者应兼顾,即既保证在最大负载电流时调整管不进入饱和,又不至于功耗偏大。
另外一般在三端稳压器的输入输出端接一个二极管,用来防止输入端短路时,输出端存储的电荷通过稳压器,而损坏器件。
用途:
一般稳压管和稳压三级管的用途是一样的,都用于控制板电路的稳压,以防止电压过高烧毁电路。
〈烜芯微/XXW〉专业制造二极管,三极管,MOS管,桥堆等,20年,工厂直销省20%,上万家电路电器生产企业选用,专业的工程师帮您稳定好每一批产品,如果您有遇到什么需要帮助解决的,可以直接联系下方的联系号码或加QQ/微信,由我们的销售经理给您精准的报价以及产品介绍
联系号码:18923864027(同微信)
QQ:709211280