电子镇流器(Electronic ballast),采用电子技术驱动电光源,使之产生所需照明的电子设备。
使用半导体电子元件,将直流或低频交流电压转换成高频交流电压,驱动低压气体放电灯(杀菌灯)、卤钨灯等光源工作的电子控制装置。应用最广的是荧光灯电子镇流器。
电子镇流器由于采用现代软开关逆变技术和先进的有源功率因数矫正技术及电子滤波措施,具有很好的电磁兼容性, 降低了镇流器的自身损耗。
日光灯电子镇流器电路图


日光灯电子镇流器电路由电源电路、高频振荡器和LC串联输出电路组成;这里简单介绍一下,电子镇流器通过V1和V2交替导通与截止,使高频振荡电路进入自激振荡状态,并通过L3和L4为日光灯管提供启辉电压。当C4两端电压达到日光灯管的放电电压时,日光灯管启辉点亮。
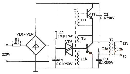
55w电子镇流器电路图
电路如下图所示,其工作原理与开关电源相似,二极管VD1~VD4构成整流桥把市电变成直流电,由振荡变压器T1,三极管VT1、VT2组成的高频振荡电路,将脉动直流变成高频电流,然后由铁氧体输出变压器T2对高频高压脉冲降压,获得所需的电压和功率。
R1为限流电阻。电阻R2、电容C1和双向触发二极管VD5构成启动触发电路。三极管VT1、VT2选用S13005,其B为15~20倍。也可用C3093等BUceo》=35OV的大功率三极管。触发二极管VD5选用32V左右的DB3或VR60。振荡变压器可自制,用音频线绕制在H7X10X6的磁环上。
TIa、T1b绕3匝,Tc绕1匝。铁氧体输出变压器T2也需自制,磁心选用边长27mm、宽20mm、厚10mm的EI型铁氧体。T2a用直径为0.45mm高强度漆包线绕100匝,T2b用直径为1.25mm高强度漆包线绕8匝。二极管VD1~VD4选用IN4007型,双向触发二极管选用DB3型,电容C1~C3选用聚丙聚酯涤纶电容,耐压250V。


电路工作时,A点工作电压约为12V;B点约为25V;C点约为105V;D点约为10V。如果电压不满足上述数值,或电路不振荡,则应检查电路有无错焊、漏焊或虚焊。然后再检查VT1、VT2是否良好,T1a、T1b的相位是否正确。
整个电路装调成功后,可装入用金属材料制作的小盒内,发利于屏蔽和散热,但必须注意电路与外壳的绝缘。引外,改变T2a、b二线圈的匝数,则可改变输出的高频电压。
220V通用节能灯电子镇流器电路图

〈烜芯微/XXW〉专业制造二极管,三极管,MOS管,桥堆等,20年,工厂直销省20%,上万家电路电器生产企业选用,专业的工程师帮您稳定好每一批产品,如果您有遇到什么需要帮助解决的,可以直接联系下方的联系号码或加QQ/微信,由我们的销售经理给您精准的报价以及产品介绍

〈烜芯微/XXW〉专业制造二极管,三极管,MOS管,桥堆等,20年,工厂直销省20%,上万家电路电器生产企业选用,专业的工程师帮您稳定好每一批产品,如果您有遇到什么需要帮助解决的,可以直接联系下方的联系号码或加QQ/微信,由我们的销售经理给您精准的报价以及产品介绍
联系号码:18923864027(同微信)
QQ:709211280