ttl电路--TTL(Transistor-TransistorLogic)双管逻辑电路,是一种广泛使用的数字电子电路类型。TTL电路采用双极型工艺制造,具有低功耗、高噪声抑制、高稳定性等特点。
TTL电路的原理
利用晶体管的开关特性,在电路中构造基本逻辑门电路(如非门、与门、或门、异或门等),实现数字信号的处理和传输。TTL电路中晶体管的数量很多,因此其成本相对较高。但是TTL电路采用了直流电源,在高频率下具有快速响应能力。
TTL电路工作分析
下面为标准TTL逻辑门的电路图,正NAND门功能,如下图所示。这种标准的TTL逻辑电路在某些情况下与二极管-晶体管逻辑(DTL)电路有关。


具有2输入与非门的TTL电路
从上图可以看出,T1是输入三极管,在开关时间上有优势。晶体管T2是分相器,晶体管T3和T4提供图腾柱输出。该TTL电路具有极低的输入阻抗、高扇出和更好的抗噪性,并且能够进行高电容驱动。
当输入A和B为高电平时,晶体管T2和T3导通并充当共发射极放大器。晶体管T4和发射极处的二极管正向偏置,并且流过的电流量可以忽略不计。输出为低电平,代表逻辑0。
当两个输入均为低电平时,二极管D1和D2正向偏置。由于5V的电源电压VCC,电流通过D1和D2以及电阻R1流向地面。R1中的电源电压下降,晶体管T2关断,因为它没有足够的电压来导通。因此,晶体管T4也因T2截止而截止。晶体管T3导通(高电平)并充当射极跟随器。输出为高电平,代表逻辑1。
当输入A和B中的任何一个为低电平时,二极管就会由于低输入而正向偏置。整个操作与上述相同。因此,输出为高电平(逻辑1)。
1、标准TTL电路
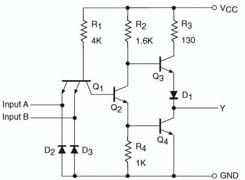
下图显示了标准TTL与非门的内部结构和特性。它的与非门是四路二输入型。有四个5400/740电路。简单来说,这种类型的TTL电路的工作原理如下。


标准TTL与非门
图中所示的Q1是一个双发射极NPN晶体管,这种类型的与非门类似于两个晶体管,它们的基极和发射极端子连接在一起。命名为D2和D3的二极管用于限制本质上为负的输入电压。
TTL电路特点
1.TTL电路的逻辑门具有噪声抑制功能,可以有效降低电路中的干扰信号;
2.TTL电路的响应速度很快,可以在几纳秒内完成信号处理;
3.TTL电路的功耗相对较低,可以节省能源和降低散热成本;
4.TTL电路工作稳定可靠,具有高抗干扰性和长寿命等特点。
〈烜芯微/XXW〉专业制造二极管,三极管,MOS管,桥堆等,20年,工厂直销省20%,上万家电路电器生产企业选用,专业的工程师帮您稳定好每一批产品,如果您有遇到什么需要帮助解决的,可以直接联系下方的联系号码或加QQ/微信,由我们的销售经理给您精准的报价以及产品介绍
联系号码:18923864027(同微信)
QQ:709211280