将交流市电转换为低压直流的常规方法是采用变压器降压后再整流滤波,当受体积和成本等因素的限制时,最简单实用的方法就是采用电容降压式电源。
采用电容降压时应注意以下几点:
1、根据负载的电流大小和交流电的工作频率选取适当的电容,而不是依据负载的电压和功率。
2、限流电容必须采用无极性电容,绝对不能采用电解电容。而且电容的耐压须在400V以上。最理想的电容为铁壳油浸电容。
3、电容降压不能用于大功率条件,因为不安全。
4、电容降压不适合动态负载条件。
5、同样,电容降压不适合容性和感性负载。
6、当需要直流工作时,尽量采用半波整流。不建议采用桥式整流,而且要满足恒定负载的条件。
电路一


这一类的电路通常用于低成本取得非隔离的小电流电源。它的输出电压通??稍诩阜饺甘【鲇谒褂玫钠肽晌妊构?。所能提供的电流大小正比于限流电容容量。
采用半波整流时,每微法电容可得到电流(平均值)为:(国际标准单位)
I(AV)=0.44*V/Zc=0.44*220*2*Pi*f*C
=0.44*220*2*3.14*50*C=30000C
=30000*0.000001=0.03A=30mA
如果采用全波整流可得到双倍的电流(平均值)为:
I(AV)=0.89*V/Zc=0.89*220*2*Pi*f*C
=0.89*220*2*3.14*50*C=60000C
=60000*0.000001=0.06A=60mA
一般地,此类电路全波整流虽电流稍大,但是因为浮地,稳定性和安全性要比半波整流型更差,所以用的更少。
使用这种电路时,需要注意以下事项:
1、未和220V交流高压隔离,请注意安全,严防触电!
2、限流电容须接于火线,耐压要足够大(大于400V),并加串防浪涌冲击兼保险电阻和并放电电阻。3、注意齐纳管功耗,严禁齐纳管断开运行。
电路二


最简单的电容降压直流供电电路及其等效电路如图1,C1为降压电容,一般为0.33~3.3uF。
假设C1=2uF,其容抗XCL=1/(2PI*fC1)=1592。由于整流管的导通电阻只有几欧姆,稳压管VS的动态电阻为10欧姆左右,限流电阻R1及负载电阻RL一般为100~200,而滤波电容一般为100uF~1000uF,其容抗非常小,可以忽略。
若用R代表除C1以外所有元器件的等效电阻,可以画出图的交流等效电路。同时满足了XC1>R的条件,所以可以画出电压向量由于R甚小于XC1,R上的压降VR也远小于C1上的压降,所以VC1与电源电压V近似相等,即VC1=V。
根据电工原理可知:整流后的直流电流平均值Id,与交流电平均值I的关系为Id=V/XC1。若C1以uF为单位,则Id为毫安单位,对于22V,50赫兹交流电来说,可得到Id=0.62C1。
由此可以得出以下两个结论:
(1)在使用电源变压器作整流电源时,当电路中各项参数确定以后,输出电压是恒定的,而输出电流Id则随负载增减而变化;
(2)使用电容降压作整流电路时,由于Id=0.62C1,可以看出,Id与C1成正比,即C1确定以后,输出电流Id是恒定的,而输出直流电压却随负载电阻RL大小不同在一定范围内变化。
RL越小输出电压越低,RL越大输出电压也越高。C1取值大小应根据负载电流来选择,比如负载电路需要9V工作电压,负载平均电流为75毫安,由于Id=0.62C1,可以算得C1=1.2uF??悸堑轿妊构躒D5的的损耗,C1可以取1.5uF,此时电源实际提供的电流为Id=93毫安。
稳压管的稳压值应等于负载电路的工作电压,其稳定电流的选择也非常重要。由于电容降压电源提供的的是恒定电流,近似为恒流源,因此一般不怕负载短路,但是当负载完全开路时,R1及VD5回路中将通过全部的93毫安电流,所以VD5的最大稳定电流应该取100毫安为宜。
由于RL与VD5并联,在保证RL取用75毫安工作电流的同时,尚有18毫安电流通过VD5,所以其最小稳定电流不得大于18毫安,否则将失去稳压作用。
限流电阻取值不能太大,否则会增加电能损耗,同时也会增加C2的耐压要求。如果是R1=100欧姆,R1上的压降为9.3V,则损耗为0.86瓦,可以取100欧姆1瓦的电阻。
滤波电容一般取100微法到1000微法,但要注意其耐亚的选择.前已述及,负载电压为9V,R1上的压降为9.3V,总降压为18.3V,考虑到留有一定的余量,因此C2耐压取25V以上为好。
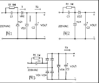
电路三


如图-1,C1 为降压电容器,D2 为半波整流二极管,D1 在市电的负半周时给C1 提供放电
回路,D3 是稳压二极管R1 为关断电源后C1 的电荷泄放电阻。在实际应用时常常采用的是图-2的所示的电路。当需要向负载提供较大的电流时,可采用图-3 所示的桥式整流电路。
整流后未经稳压的直流电压一般会高于30 伏,并且会随负载电流的变化发生很大的波动,这是因为此类电源内阻很大的缘故所致,故不适合大电流供电的应用场合。
〈烜芯微/XXW〉专业制造二极管,三极管,MOS管,桥堆等,20年,工厂直销省20%,上万家电路电器生产企业选用,专业的工程师帮您稳定好每一批产品,如果您有遇到什么需要帮助解决的,可以直接联系下方的联系号码或加QQ/微信,由我们的销售经理给您精准的报价以及产品介绍
联系号码:18923864027(同微信)
QQ:709211280