整流简介
在电力电子方面:将交流电变换为直流电称为AC/DC变换,这种变换的功率流向是由电源传向负载,称之为整流。
通过整流器能把交流电(大小和方向都发生周期性变化的交流电)变换为我们电子、电脑设备可用的直流电(大小和方向都不变的直流电)。
半桥整流,全桥整流介绍


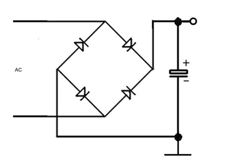
全桥整流需要使用四只二极管,每一只是电桥的一个臂,首尾相接构成一个环,输入与输出不能对换;
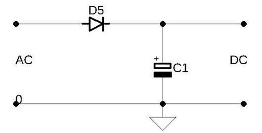
半桥整流则只需要使用两只二极管,两者输出端相连,输入端则分别连在变压器的两端,从结构上来说比起全桥整流要更为简单。
半桥整流电路:


全桥整流电路:


关于整流桥
整流桥就是指将半桥整流或全桥整流所用的二极管封装到一起后的一个元件,有分为全桥式整流管和半桥式整流桥,一般全桥式整流桥封装有 4 只二极管,外部有 4 只引脚,可直接实现全波整流;半桥式整流桥则封装有 2 个二极管,可用两只组成一个全桥整流电路以实现全波整流,也可以采用一个半桥式整流器配合中心抽头型变压器的方式实现全波整流。
半桥整流,全桥整流的区别
一般半桥整流多见于主流级PC电源,全桥整流者则是高功率电源的???。虽然半桥整流和全桥整流可以输出相同波形电压和电流,但是在整流过程中,两者所承担的反向电压和电流是不一样的。
半桥整流输出电压的峰值只有输入电压的一半,因此在输出功率相同的情况下,半桥整流需要承担两倍于全桥整流的反向电压或者电流,因此半桥整流对二极管的规格有较高的要求。
半桥整流只需要 2 只二极管,全桥整流需要 4 只;
半桥整流实现全波整流需要使用中心抽头型变压器;
输出功率相同的情况下,半桥整流所需要承受的反向电压或电流是全桥整流的 2 倍;
半桥整流后续电路设计相对简单,全桥整流后续电路设计相对复杂。
〈烜芯微/XXW〉专业制造二极管,三极管,MOS管,桥堆等,20年,工厂直销省20%,上万家电路电器生产企业选用,专业的工程师帮您稳定好每一批产品,如果您有遇到什么需要帮助解决的,可以直接联系下方的联系号码或加QQ/微信,由我们的销售经理给您精准的报价以及产品介绍
联系号码:18923864027(同微信)
QQ:709211280