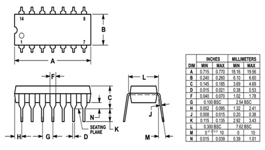
74ls04引脚图及功能介绍
74ls04引脚图


74ls04引脚功能


74ls04封装


74LS04是带有6个非门的芯片,是六输入反相器,也就是有6个反相器,它的输出信号与输入信号相位相反。六个反相器。共用电源端和接地端,其它都是独立的。输出信号手动负载的能力也有一定程度的放大。
反相器是可以将输入信号的相位反转180度,这种电路应用在模拟电路,比如说音频放大,时钟振荡器等。在电子线路设计中,经常要用到反相器。
74LS04内部包含六个反向器,每个反向器都具有以下特点:
输入:高电平(1)、低电平(0)。
输出:输入信号的逻辑反相输出。
延迟时间:输入信号到输出信号之间存在一定的延迟时间。
在数字电路中,74LS04常用于对输入信号进行反相处理、产生时钟信号、生成脉冲等。例如,在计数器中,74LS04可以将计数器的输入信号反相,从而实现计数器的正向计数和倒向计数,同时也可以用于计数器的清零操作。
需要注意的是,由于74LS04的输出端为开漏输出(open collector),因此如果要连接到负载上,需要额外添加上拉电阻进行驱动。
作为一种常用的数字电路芯片,74LS04具有高速、低功耗、可靠性高等优点,广泛应用于各种数字电路设计中。
74ls04振荡电路图
74ls04振荡电路一:环形振荡器电路


图中为带有RC延迟电路的非门环形自激多谐振荡器实验电路。振荡电路由非门IC1、IC2、IC3及定时电路元件RP、C等组成,由IC3输出矩形波信号。R1为保护电阻器,避免定时电容器c反向放电时有可能造成IC3门电路损坏。非门IC4使振荡器输出波形较好的矩形波。
振荡频率估算f>1/2.3RC T>2.3RC
定时电阻器电阻值在100-10002范围内选取,定时电容器C取值范围较大,从几百皮法(pF)至几百微法范围内选职,可以使振荡频率范围从几兆赫兹到几赫兹。把定时电阻器换成电位器(1.5k92),能连续调节振荡频率,并且有较大的覆盖率。用到的芯片有74ls04。
74ls04振荡电路二:对称方波振荡器
图中为非门对称方波自激多谐振荡器实验电路,由于电路对称,输出振荡波形占空比为1:1,为方波,故称对称方波振荡器。
在振荡电路中,非门IC1输出端经过定时电容器C2耦合到非门IC2输入端,同样IC2输出端经C1耦合到IC1输入端,两个非门通过电容器互相耦合形成正反馈闭环电路,因而能够产生方波振荡。当R1=R4=R,C1=C2=C时,振荡频率估算公式:
f≈1/RC


振荡周期T≈RC。定时电阻器R1、R4取值为1~2.2kΩ,定时电容器C1、C2取值范围较大,可以从几十皮法至几百微法,振荡频率范围从几赫兹到数兆赫兹。
74ls04振荡电路三:简易自激多谐振荡器
图中为简易非门自激多谐振荡器实验电路,它由非门振荡器IC1、IC2,反相器IC3,红色、绿色发光二极管和电源GB供电系统组成。IC1、IC2作为振荡器的开关环节,R1、C定时电路产生延时正反馈信号控制开关环节周期性的开通和关闭,使IC2输出矩形波。反相器IC3使红色、绿色发光二极管与振荡器同步交替闪亮。


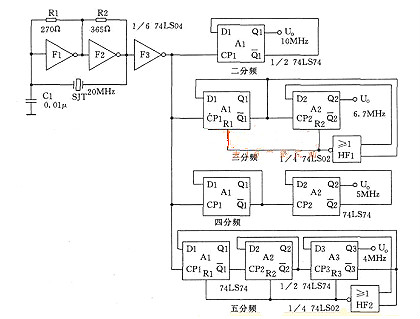
74ls04振荡电路四:晶体振荡器与分频器(74ls04)电路

〈烜芯微/XXW〉专业制造二极管,三极管,MOS管,桥堆等,20年,工厂直销省20%,上万家电路电器生产企业选用,专业的工程师帮您稳定好每一批产品,如果您有遇到什么需要帮助解决的,可以直接联系下方的联系号码或加QQ/微信,由我们的销售经理给您精准的报价以及产品介绍

〈烜芯微/XXW〉专业制造二极管,三极管,MOS管,桥堆等,20年,工厂直销省20%,上万家电路电器生产企业选用,专业的工程师帮您稳定好每一批产品,如果您有遇到什么需要帮助解决的,可以直接联系下方的联系号码或加QQ/微信,由我们的销售经理给您精准的报价以及产品介绍
联系号码:18923864027(同微信)
QQ:709211280