低通滤波器通过选择截止频率来确定一个频率范围,在该范围内保留信号的低频成分,并抑制高于截止频率的高频成分。低通滤波器在音频处理、图像处理、通信系统等领域中有广泛应用。
低通滤波器的作用
低通滤波器主要用于去除信号中高于某个截止频率的高频成分,从而平滑信号并抑制噪声。通过保留低频成分,低通滤波器能够提取信号中的基本趋势和长期变化,对于平滑数据和减少噪声干扰非常有效。
平滑信号:通过去除高频噪声和快速变化的部分,低通滤波器可以使信号更加平滑,减少噪声干扰,使得信号变化更为连续和稳定。
去除高频噪声:高频噪声往往包含在信号中的高频成分中,低通滤波器可以滤除这些噪声,提高信号的质量和可靠性。
降低功率谱:在频域中,低通滤波器可以将高频部分的功率谱降低,从而减小信号的带宽和能量消耗。
低通滤波电路图
开关电源--单级低通滤波回路


低通滤波器电路图二
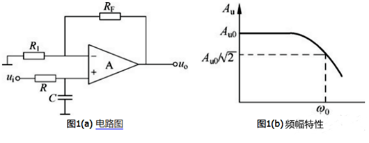
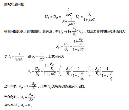
图1 (a) 所示电路为一阶有源低通滤波电路。




其幅频特性如图1(b)所示。
为改善滤波效果,使f≥fo时,信号衰减的更快,一般在图1(a)所示的一阶低通滤波器的基础上再增加一级RC电路就构成二阶有源低通滤波器,如图2所示。

〈烜芯微/XXW〉专业制造二极管,三极管,MOS管,桥堆等,20年,工厂直销省20%,上万家电路电器生产企业选用,专业的工程师帮您稳定好每一批产品,如果您有遇到什么需要帮助解决的,可以直接联系下方的联系号码或加QQ/微信,由我们的销售经理给您精准的报价以及产品介绍

〈烜芯微/XXW〉专业制造二极管,三极管,MOS管,桥堆等,20年,工厂直销省20%,上万家电路电器生产企业选用,专业的工程师帮您稳定好每一批产品,如果您有遇到什么需要帮助解决的,可以直接联系下方的联系号码或加QQ/微信,由我们的销售经理给您精准的报价以及产品介绍
联系号码:18923864027(同微信)
QQ:709211280