MOS管驱动电路
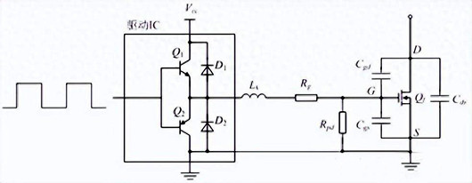
常用的MOS管驱动电路结构如下所示:驱动信号经过图腾柱放大后,经过一个驱动电阻Rg给mos管驱动。


mos管驱动芯片
MOSFET驱动芯片如TC4420来驱动MOS管,这类的芯片一般有很大的瞬间输出电流,而且还兼容TTL电平输入,MOSFET驱动芯片的内部结构如下:


mos管驱动芯片选型
驱动芯片的存在主要是为了开通MOS管,为了提供MOS管开通所需要的电压,需要自举升压电路,驱动芯片的意义正是自举升压相关的一些电路。
驱动芯片简单而言就是把单片机产生的PWM波形进行放大输入到MOS管的栅极G,从而达到开通关断MOS管的目的。
下表列出了驱动芯片选型时需要关注的主要参数:


对于拉灌电流能力这一参数需要进一步解释,从等效层面上讲,MOS管的各极之间都存在寄生电容,MOS开通的过程就是对极间电容充电的过程,如图所示为MOS管极间电容的示意图,所谓灌电流就是将电流灌进G极使得MOS开通,拉电流就是将电荷从G极抽出使得MOS关断,拉灌电流的力度决定了MOS开通的程度。


MOS管极间电容示意图
对驱动芯片进行选型时, 需要格外注意将驱动芯片拉灌电流能力值与MOS管的参数相匹配,如果不匹配将会出现俗称为“带不动”的情况。
那么这一值具体应该怎么匹配呢?以IRLB4030和IR2101S为例进行计算:
这之中用到了MOS管的反向恢复电荷Qrr,IRLB4030的恢复电荷在125摄氏度时为130nC,我们取为150nC,假设电机控制PWM波的频率为10KHz,即周期为100us,假设PWM电压从零到最大值的阶跃时间为1us,那么MOS管需要的电流值为:
I=Q/T&=150nC/1us=150mA
那也就是说驱动芯片拉灌电流值应该至少达到150mA才能带的动IRLB4030,IR2101S的拉灌电流值在130mA到270mA之间,基本符合条件,因此这两款驱动芯片和MOS管的匹配使用是合理的。
〈烜芯微/XXW〉专业制造二极管,三极管,MOS管,桥堆等,20年,工厂直销省20%,上万家电路电器生产企业选用,专业的工程师帮您稳定好每一批产品,如果您有遇到什么需要帮助解决的,可以直接联系下方的联系号码或加QQ/微信,由我们的销售经理给您精准的报价以及产品介绍
联系号码:18923864027(同微信)
QQ:709211280