滤波电路作用
滤波电路的基本作用是让某种频率的电流通过或阻止某种频率的电流通过。另外是尽可能减小脉动的直流电压中的交流成分,保留其直流成分,使输出电压纹波系数降低,波形变得比较平滑。
根据幅频特性所表示的通过或阻止信号频率范围的不同,滤波器可分为低通滤波器(LPF)、高通滤波器(HPF)、带通滤波器(BPF)、和带阻滤波器(BEF)四种。
理想低通滤波器
图是理想低通滤波器,它允许低频信号无损耗地通过滤波器,当信号频率超过截止频率后,信号的衰减为无穷大。


理想高通滤波器
图是理想高通滤波器,它与理想低通滤波器正好相反,允许高频信号无损耗地通过滤波器,当信号频率低于截止频率后,信号的衰减为无穷大。


滤波器电路设计
许多音响装置的频谱分析器均使用此电路作为带通滤波器,以选出各个不同频段的信号,在显示上利用发光二极管点亮的多少来指示出信号幅度的大小。这种有源带通滤波器的中心频率 ,在中心频率fo处的电压增益Ao=B3/2B1,品质因数 ,3dB带宽B=1/(п*R3*C)也可根据设计确定的Q、fo、Ao值,去求出带通滤波器的各元件参数值。R1=Q/(2пfoAoC),R2=Q/((2Q2-Ao)*2пfoC),R3=2Q/(2пfoC)。式中,当fo=1KHz时,C取0.01Uf。此电路亦可用于一般的选频放大。 有源带通滤波器电路
此电路亦可使用单电源,只需将运放正输入端偏置在1/2V+并将电阻R2下端接到运放正输入端既可。
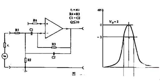
带通滤波器原理图


带通滤波器原理图该电路中事先确定R1的值,其大小与信号源内阻r1相近/参数选取原理是R4=R3,C1约等于C2,Q小于等于R1,500K》R》1K,0.5uF》C》200pF.
〈烜芯微/XXW〉专业制造二极管,三极管,MOS管,桥堆等,20年,工厂直销省20%,上万家电路电器生产企业选用,专业的工程师帮您稳定好每一批产品,如果您有遇到什么需要帮助解决的,可以直接联系下方的联系号码或加QQ/微信,由我们的销售经理给您精准的报价以及产品介绍
联系号码:18923864027(同微信)
QQ:709211280