单结晶体管介绍
单结晶体管(UJT)又称基极二极管,是一种只有一个PN结和两个电阻接触电极的半导体器件,它的基片为条状的高阻N型硅片,两端分别用欧姆接触引出两个基极b1和b2。在硅片中间略偏b2一侧用合金法制作一个P区作为发射极e。


单结晶体管是一种利用PN结特性的半导体器件,它的工作原理基于PN结的电子输运和控制。单结晶体管主要由三个区域组成:发射区(Emitter)、基区(Base)和集电区(Collector),这些区域分别对应不同的半导体类型:P型、N型和N型。
放大作用:当输入信号作用于基区时,会改变基区中的电子云密度,进而影响基区的导电性。如果信号为正向偏置,基区中的电子密度增加,导致基区的导电性增强,从而增加从发射区流向基区和集电区的电流,实现信号的放大。
开关作用:当输入信号为反向偏置时,基区中的电子密度减少,导电性减弱,电流从发射区流向基区的流动降低,使单结晶体管进入关闭状态,输出电流减小。
单结晶体管的其他重要特性参数包括饱和电流(Is)和截止频率(fT)。饱和电流是指在特定条件下,如发射区与基区之间的电压达到一定程度时,电流能够达到的最大值,它决定着单结晶体管的放大能力。截止频率则是单结晶体管能够放大的最高频率,超过这一频率后,放大效果会明显下降。
单结晶体管触发电路
UT可用于用于产生脉冲以教发TRIAC的张地振荡器,电路如下:


电路中,施加的交流电压使用桥式整流器进行整流,并使用齐纳二极管进行调节。该稳压直流电压被施加到电容器上,电容器开始通过可变电阻器充电。
一旦电容器电压达到峰值或阈值电压,UJT开始导通,电容器开始通过UJT和变压器初级放电,并在变压器次级产生脉冲电压,该脉冲电压被提供给栅极SCR来触发它。一旦触发SCR,它将开始导通,而与任何栅极电压无关。
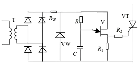
单结晶体管触发电路二


电路组成
①,同步降压变压器T,作用是把220v交流电降压,且相位和市电一致。
②,桥式整流电路,把交流电变为脉动直流电。
③,稳压二极管Vw和Rw作用是削波,把脉动直流变为梯形波。
④,R是限流电阻,它的大小直接影响电容器c的充电速度,进一步影响晶闸管的控制角和导通角。
⑤,单结晶体管,和电阻R,电容器c,电阻R1组成弛张振荡器,为晶闸管提供触发脉冲。
〈烜芯微/XXW〉专业制造二极管,三极管,MOS管,桥堆等,20年,工厂直销省20%,上万家电路电器生产企业选用,专业的工程师帮您稳定好每一批产品,如果您有遇到什么需要帮助解决的,可以直接联系下方的联系号码或加QQ/微信,由我们的销售经理给您精准的报价以及产品介绍
联系号码:18923864027(同微信)
QQ:709211280