图腾柱介绍
图腾柱就是上下各一个三极管,上管为NPN,c极(集电极)接正电源,下管为PNP,c极(集电极)接地。两个b极(基极)接一起,接输入,上管和下管的e极(发射极)接到一起,接输出,像一个"图腾柱"。用同一信号驱动两个b极。驱动信号为高时,NPN导通;信号为低时,PNP导通。利用两个晶体管构成推挽输出。 用来匹配电压,或者提高IO口的驱动能力。
上下两个输出管,从直流角度看是串联,两管联接处为输出端。上管导通下管截止输出高电平,下管导通上管截止输出低电平,如果电路逻辑可以上下两管均截止则输出为高阻态。
在开关电源中,类似的电路常称为半桥。
电路变种
一种是两管全用NPN,但是下管通过一个反相器接到输入,也起到同样作用;
还有一种是下管的e接到地,两管之间靠一个稳压管代替负电源。
门电路的输出极采用一个上电阻接一个NPN型晶体管的集电极,这个管子的发射极接下面管子的发射极同时输出;下管的集电极接地。两管的基极分别接前级的控制。由于此结构画出的电路图有点儿象印第安人的图腾柱,所以叫图腾柱式输出(也叫图腾式输出)。


图腾柱作用
一方面增加了驱动能力,另一方面,当PWM的输出端为低电平的时候,下管为MOS的结电容提供放电回路。
图腾柱电路应用注意问题
驱动MOS管或IGBT管,某些管子可能需要比较大的驱动电流或者灌电流,这时候就需要用到图腾柱电路,在实际使用中,如果就按照图中所示的电路的话,往往会因为走线电感与管子的结电容引起谐振而带来问题。可以增加电路图中的R1与D1加速放电,避免引起共振。


如果设备抗干扰能力较弱的话,图腾柱电路很容易受到干扰而产生有误动作。为了提升图腾柱的抗干扰能力,我们可以将电路改为下图所示。


图腾柱驱动电路设计
图腾柱型驱动电路的作用在于:提升电流驱动能力,迅速完成对于门极电荷的充电或者放电的过程。
当某些管子可能需要比较大的驱动电流或者灌电流,这时候就需要用到图腾柱电路。


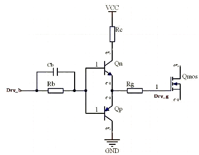
器件作用说明:
Qn:N BJT
Qp:P BJT
Qmos:待驱动NMOS
Rb:基极电阻
Cb:加速电容
Rc:集电极电阻
Rg:驱动电阻
原理分析:
左边一个输入驱动信号Drv_b(驱动能力很弱)通过一个图腾柱输出电路,从三极管的发射极公共端出来得到驱动能力(带载能力)大大增强的信号Drv_g;从能量的角度来讲,弱能量信号Drv_b通过Qn和Qp的作用,从Vcc取电(获取能量),从而变成了携带高能量的Drv_g信号;在这个能量传递的过程中,Qn和Qp分别交替工作在截至和饱和状态;
具体工作过程(逻辑分析)如下:
以方波为例,1代表高电平,0代表零电平,-1代表负电平;Vb表示Qn和Qp的公共基极电压,Vqn_c表示Qn管子的集电极电压,Vqn_be表示Qn管子基极-发射极电压,Vqp_be表示Qp基极-发射极电压
当输入驱动信号Drv_b=1则Vb=1,Vqn_be=1,由于:Qn两端有一个Vcc电压,即Vqn_ce=1,所以,Qn管饱和导通,Qn管电流主要由集电极流向发射极,Drv_g=1,这时MOS管结电容迅速充电;(Qn管饱和导通,能量由Vcc提供驱动能力大大增强)
当输入电压为低电平Drv_b=0则Vb=0,Vqp_be=-1,由于MOS管上的结电容存在电压,即Vqp_ec=1,所以,Qp管饱和导通,Qp管电流主要由发射极流向集电极,Drv_g=0;这时MOS管结电容迅速放电;(Qp管饱和导通,MOS管放电速度加快)
〈烜芯微/XXW〉专业制造二极管,三极管,MOS管,桥堆等,20年,工厂直销省20%,上万家电路电器生产企业选用,专业的工程师帮您稳定好每一批产品,如果您有遇到什么需要帮助解决的,可以直接联系下方的联系号码或加QQ/微信,由我们的销售经理给您精准的报价以及产品介绍
〈烜芯微/XXW〉专业制造二极管,三极管,MOS管,桥堆等,20年,工厂直销省20%,上万家电路电器生产企业选用,专业的工程师帮您稳定好每一批产品,如果您有遇到什么需要帮助解决的,可以直接联系下方的联系号码或加QQ/微信,由我们的销售经理给您精准的报价以及产品介绍
联系号码:18923864027(同微信)
QQ:709211280