MOS管的工作原理和三极管比较类似,MOS管的栅极相当于三极管的基极,只需要在它的栅极给一个高电平。那么源极和漏极之间就会导通。如果给它的栅极低电平,源极和漏极之间就会断开,我们就是根据这个原理来制作MOS管的检测电路的。
mos管测试仪电路图


原理图比较简单,一个管脚插座,一个100欧电阻,一个USB输入插头,一块敷铜板。触摸片1的一端接电源正极,一端接MOS管的栅极。触摸片2的一端接电源负极,一端接电源负极。
本电路由USB口直接供电。电路设置了两个触摸片,用于检测MOS管的好坏。将两个触摸片的一端并联。与MOS管栅极连接。两个触片的另外一端分别接在电源正极和电源负极。当手指触控CK1时,由人体的手指作为导体使MOS管的栅极电位升高,此时MOS管导通,LED发光。当手指触摸CK2时,CK2的两组电极通过手指使栅极电位下降。此时MOS管,截止LED熄灭。
PCB板图纸


由PCB板生成的3d效果图


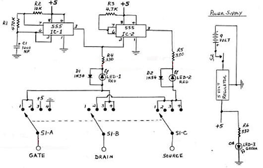
MOSFET测试仪电路二
这款简单的MOSFET测试仪可以快速测试增强型N型和P沟道MOSFET。它检查栅极、漏极和源极之间的短路。它还区分了N沟道和P沟道MOSFET。一旦正确连接到 mosfet,所有测试都将在不反向连接的情况下完成。

〈烜芯微/XXW〉专业制造二极管,三极管,MOS管,桥堆等,20年,工厂直销省20%,上万家电路电器生产企业选用,专业的工程师帮您稳定好每一批产品,如果您有遇到什么需要帮助解决的,可以直接联系下方的联系号码或加QQ/微信,由我们的销售经理给您精准的报价以及产品介绍

〈烜芯微/XXW〉专业制造二极管,三极管,MOS管,桥堆等,20年,工厂直销省20%,上万家电路电器生产企业选用,专业的工程师帮您稳定好每一批产品,如果您有遇到什么需要帮助解决的,可以直接联系下方的联系号码或加QQ/微信,由我们的销售经理给您精准的报价以及产品介绍
联系号码:18923864027(同微信)
QQ:709211280