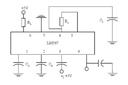
lm567引脚图及功能




引脚4和引脚7:分别是 IC 的正 (Vdd) 和负 (Vss) 电源输入。
引脚3:是输入的感测输入,用于检测给定的锁相环频率,换句话说,该引脚将锁定匹配的中心频率,该中心频率可以通过一对外部设置在 IC 内部遥控网络。
引脚5和6:用于通过根据需要设置 R1、C1 的值来创建中心频率,并且该频率被感测输入 引脚3用于锁定并在引脚8处创建逻辑零这是IC的输出引脚。
输出引脚8:通常为逻辑高电平,一旦在 IC 的引脚3检测到匹配频率,就会变为逻辑零。
引脚1和2:用于确保正确过滤所涉及的频率,以便 IC 不会由于任何现有的寄生或杂散噪声干扰而产生任何错误输出。
LM567的内部结构
LM567是一种解码集成电路,其内部结构如下图1所示。LM567内部包含了两个鉴相器、放大器、电压控制振荡器VCO等单元。其典型的应用电路如图2所示。




LM567工作原理
音调解码器LM567工作时,其锁相环内部电流控制振荡器产生一定频率和相位的振荡信号。
该信号与③脚输入的信号一起送入正交鉴相器进行比较。当信号频率落在给定通带内时,锁相环锁定该信号,同时控制LM567内部三极管上电,LM567输出端输出低电平。
LM567的⑤脚输出内部振荡器的方波信号,⑥脚输出锯齿波脉冲。两者的频率都与内部振荡器的中心频率相同。②脚是锁相环鉴相器的输出。上的电压是F/V转换后的信号。如果将音调信号输入到②脚,则⑤脚输出由②脚输入信号调制的FM方波信号。
从LM567的基本功能来看,LM567可以用作振荡器、调制器或解调器。因此,它可以作为电路中的基本器件。LM567的应用具有解码输入信号中特定频率的功能,广泛应用于通信、???、测量、频率监测等领域。
〈烜芯微/XXW〉专业制造二极管,三极管,MOS管,桥堆等,20年,工厂直销省20%,上万家电路电器生产企业选用,专业的工程师帮您稳定好每一批产品,如果您有遇到什么需要帮助解决的,可以直接联系下方的联系号码或加QQ/微信,由我们的销售经理给您精准的报价以及产品介绍
联系号码:18923864027(同微信)
QQ:709211280