TTL门电路
TTL是一种集成电路,通过使用双极性晶体管组合来做到具有驱动能力的逻辑输出。
TTL门电路是指使用晶体管-晶体管逻辑(Transistor-Transistor Logic)技术构成的数字电路。
TTL门电路由多个输入端和一个输出端组成。当输入端接收到电信号时,它会根据某种逻辑运算生成相应的输出信号。
TLL门电路具有高速度和低延迟、高噪声抑制、高输入阻抗、无偏置电源等特点,在数字系统中应用广泛。
TTL门电路原理
TTL门电路由晶体管、电阻、二极管等元件组成。其中,基极通过电阻连接到正极电源,而发射极则通过负载电阻连接到地线上。
在TTL门电路中,当输入端接收到电信号时,会使基极电压发生变化,从而使晶体管进入饱和或截止状态。当晶体管处于饱和状态时,其输出为低电平;当晶体管处于截止状态时,输出为高电平。通过多个晶体管的组合,可以实现各种逻辑运算。
TTL门电路分很多种,比如说非门、与非门、或非门、与或非门以及OC输出的与非门。虽然种类多,但是基本的工作原理都是类似的。
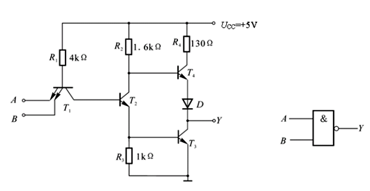
TTL与非门电路结构
典型的TTL与非门电路结构如图所示。该电路由输入级、倒相级、输出级三部分组成。


输入级由多发射极三极管T1和电阻R1构成。可以把T1的集电结看成一个二极管,而把发射结看成与前者背靠背的两个二极管。这样,T1的作用和二极管与门的作用完全相同。
倒相级由三极管T2和电阻R2、R3构成。通过T2的集电极和发射极,提供两个相位相反的信号,以满足输出级互补工作的要求。
输出级是由三极管T3、T4,二极管D和电阻R4构成的“推拉式”电路。当T3导通时,T4和D截止;反之T3截止时,T4和D导通。倒相级和输出级的作用等效于逻辑非的功能。
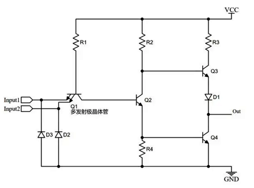
下文以常用的与非门电路为例对其工作原理进行介绍。


从图中可以看出非门电路是由Q1输入级、Q2中间级以及Q3、Q4输出级组成。
①输入级:Q1从结构上把它看成由二极管构成的,两个二极管的P结背靠背,N结分别连接输入和Q2的基极。
②中间级:由三极管Q2和电阻R2、R4组成。在电路的开通过程中利用Q2的放大作用,为输出管Q3和Q4提供较大的基极电流,加速了输出管的导通。所以,中间级的作用是提高输出管的开通速度,改善电路的性能。
③输出级:由三极管Q3、Q4、二极管D1和电阻R3组成。从图中可以看出,输出级由三极管Q4实现逻辑非的运算。但在输出级电路中用三极管Q3、二极管D1和R3组成的有源负载来使输出级具有较强的负载能力。其中D1可以起到三极管be反向击穿的?;ぷ饔?。
工作原理:
①当输入端Input为逻辑低电平时,电流流经R1至Input,Q1晶体管导通,此时Vb(Q2)的电压小于Vbe导通电压0.7V,Q2晶体管截止。此时由于R2与R4的存在,使Q3导通、Q4截止,在Out上输出高电平。由图中输出结构可知,此时输出高电平电压将为:Vout = Vcc - Vce - VD1 ≈ Vcc - 1V
②当输入端Input为逻辑高电平时,Q1晶体管截止,此时电流流经R1和Q1的PN结,流向Q2的基极,Q2晶体管导通。此时Q4导通,Q3的基极电压约为1V,而Q3的导通电压需要Vb3约为1.7V,Q3将不导通,则在Out上输出低电平。由图中输出结构可知,此时输出低电平电压将为:0.4V。
〈烜芯微/XXW〉专业制造二极管,三极管,MOS管,桥堆等,20年,工厂直销省20%,上万家电路电器生产企业选用,专业的工程师帮您稳定好每一批产品,如果您有遇到什么需要帮助解决的,可以直接联系下方的联系号码或加QQ/微信,由我们的销售经理给您精准的报价以及产品介绍
联系号码:18923864027(同微信)
QQ:709211280