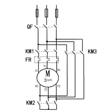
星三角启动电路图一
星三角启动电路图的主回路图:


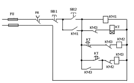
星三角启动电路图的二次回路控制图:


按下SB2--KM1吸合--KM1??蘸?,KM1自保持,
KM2吸合开始星形启动,时间继电器KT得电延时--延时到KT常闭使KM2断电释放,星形启动停止--电流经KT???,KM2常闭使KM3吸合,线圈KM3常开使KM3自保持,开始角形运转--KM3常闭断开KT电源。按SB1可停止电机运转。
注:时间继电器设定的时间要根据具本情况设定,一般是当电机起到的时间到起动后电流降到额定电流之间的时间决定。
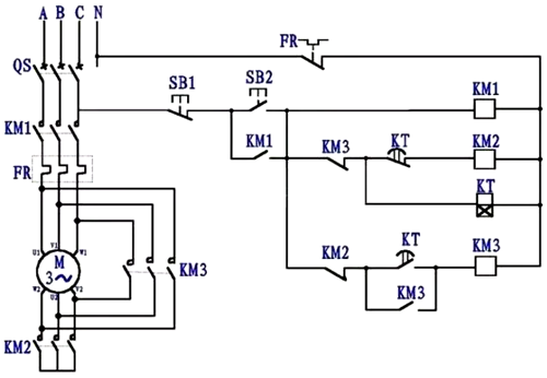
星三角启动电路图二
电动机星三角降压启动电路图:


图为星三角降压启动电路图,QS为断路器,KM1主接触器,KM2星形连接接触器,KM3角形连接接触器,FR热继电器,KT时间继电器(通电延时型),SB1停止按钮,SB2启动按钮。
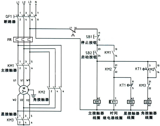
星三角启动电路图三
星三角降压启动电路图:


启动时按下启动按钮SB2,交流接触器KM线圈回路通电吸合并通过自己的辅助??サ阕运渲鞔ネ繁蘸辖油ǖ缍嗟缭?,时间继电器KT1线圈也通电吸合并开始计时,交流接触器KM3线圈通过时间继电器的延时断开接点通电吸合,KM3的主触头闭合将电动机的尾端连接,电动机定子绕组成Y形连接,
这时电动机在Y形接法下降压启动当时间继电器KT1整定时间到时后,其延时断开触点打开,交流接触器KM3线圈回路断电,主触点打开定子绕组尾端的接线,KM3的辅助常闭触点闭合为KM2线圈的通电做好准备。
同时时间继电器K1的延时闭合触点闭合,接通KM线圈回路,使得KM2通电吸合并通过自己的辅助常开触点自锁,KM2主触头闭合将定子绕组接成三角形,电动机在△形接法下运行。
〈烜芯微/XXW〉专业制造二极管,三极管,MOS管,桥堆等,20年,工厂直销省20%,上万家电路电器生产企业选用,专业的工程师帮您稳定好每一批产品,如果您有遇到什么需要帮助解决的,可以直接联系下方的联系号码或加QQ/微信,由我们的销售经理给您精准的报价以及产品介绍
联系号码:18923864027(同微信)
QQ:709211280