锂电池?;ぐ?/div>
保护电路通常是电池的一个组成部分,物理上位于同一外壳内,只留下两个电源端子从外壳中出来。
保护电路可分为两部分:主动组件?;ぃū;?IC 和 MOSFET),又称为一级保护,被动组件保护(MHP,PTC,Fuse),又称为二级?;?。
一级保护电路主要是针对电池的过充、过放、过载及短路进行保护,采用IC检测电池电压及充放电电流去控制MOSFET导通或关断从而保证锂电池工作在安全状态。
锂电池?;ぐ宓淖槌?/div>
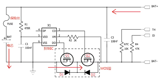
一般的锂电池保护板由控制IC、MOS管、电阻电容、保险丝FUSE等组成,如下图所示。


常见的锂电池?;ぐ宓缏吠?/div>
TH为温度检测,内部是一个10K NTC接到电池负极;ID是电池在位检测,一般是47K/10K电阻接到电阻负极,有的是0R电阻;TH和ID均是选配,并不是所有锂电池都有的。
锂电池?;ぐ骞ぷ髟?/div>
过充?;?/div>
电池充电时,电流(方向如箭头所示)从电池包的正极流入,经过FUSE后从负极流出,最下方的两个MOS管均是导通状态。


电池充电时电流方向如箭头所示
充电时,控制IC X1会时刻监测第5脚VDD和第6脚VSS之间的电压,当这个电压大于等于过充截止电压且满足过充电压的延时时间时,X1会通过控制第3脚来关闭MOS管Q2,Q2被关闭之后,充电回路被切断(Q2的体二极管D2也是反向截止的),这个时候,电池只能放电。
过充保护解除条件(满足其一即可):
1,电芯两端的电压下降到?;C的过充恢复电压。
2,在电池包得输出端加负载放电,放电到电压小于过充?;さ缪?。
过放保护
在电池包两端加负载放电时,电流(方向如箭头所示)与充电是相反的,如下图所示。
![锂电池?;ぐ? src=]()
电池放电时电流方向如箭头所示
放电时,控制IC X1同样会时刻监测第5脚VDD和第6脚VSS之间的电压,当这个电压小于等于过放截止电压且达到过放电压的延时时间,控制IC X1会通过第1脚关闭Q1,Q1被关闭之后,放电回路被切断(Q1的体二极管D1是反向截止),这个时候,电池只能充电。
过放?;そ獬跫耗玫舾涸兀绯匕涞?,当VM-VDD之间的电压达到过放恢复电压值时,控制IC X1会重新打开MOS管Q1。
〈烜芯微/XXW〉专业制造二极管,三极管,MOS管,桥堆等,20年,工厂直销省20%,上万家电路电器生产企业选用,专业的工程师帮您稳定好每一批产品,如果您有遇到什么需要帮助解决的,可以直接联系下方的联系号码或加QQ/微信,由我们的销售经理给您精准的报价以及产品介绍
联系号码:18923864027(同微信)
QQ:709211280
相关阅读
最新资讯
- 怎么用TVS二极管提高电路的抗突波能力
- PIN二极管的电导调制机制和应用介绍
- 基于双MOS管的防反灌电路工作原理介绍
- 高效率整流二极管的特性和应用介绍
- 详解稳压二极管的关键特性和应用原理
- MOS管选型关键因素分析,怎么选择合适的参数
- 三相整流电路分析,半波整流与全波整流的工作原理
- IGBT三相全桥整流电路工作原理介绍
- 详解快恢复二极管,结构,特性和应用介绍
- 三极管和MOS管组合式开关电路分析
联系烜芯微
咨询热线:
18923864027
传真:
18923864027
QQ:
709211280
地址:
深圳市福田区振中路84号爱华科研楼7层