驱动电路中的误开通
1、米勒效应引起的误开通


当 MOSFET 关断,随后对管导通时, Vds 电压(漏极与源极之间所能施加的最大电压值)快速上升产生高的 dv/dt(开关瞬态过程中漏极-源极电压的变化率),从而在电容 Cgd (米勒电容)中产生位移电流( igd)。
这个位移电流流经Rg,M2后就会在Vg上产生一个电压尖峰(Vspk)。如果这个电压尖峰超过了MOSFET的开通阈值,MOSFET就会被开通,从而导致电路直通甚至损坏。
2、线路上的寄生电感引起


如图所示,Ls是MOSFET源极上的寄生电感。当MOSFET快速关断时,电流(ids)迅速的减小产生较高的di/dt,从而在Ls的两端产生一个负的电压(VLS)。这个VLS电压如果超过了MOSFET的门极阈值,MOSFET就会被误开通。
避免驱动误开通的方法
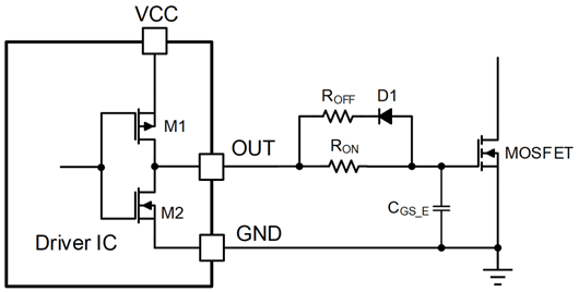
1.门极电阻、电容法
调整门极驱动电阻和电容
通过调节门极驱动电阻和电容的大小可以来调整 MOSFET 的开通/关断速度:增大门极驱动电阻和电容来减慢MOSFET开通/关断的速度,减小 dv/dt (di/dt) 从而减小门极电压尖峰。


为了避免功率管的误开通,常用的方法是通过调整门极驱动的电阻和电容。
2.米勒钳位法
为了有效的抑制由于米勒效应带来的门极误开通,可以在靠近功率管的门极处放一个三极管来防止在关断期间的误开通。


在关断期间,由于Vds较高的dv/dt使Vg电压升高,此时Q1会导通,从而将Vg电压拉低防止误开通MOSFET。在实际的应用中要注意PCB布线的影响,Q1要尽量的靠近功率MOSFET以减小Q1、MOSFET门极和源极之间的环路,从而降低整个环路路上的阻抗。
3.负压驱动法
米勒钳位电路能够有效的抑制由于米勒效应引起的门极电压尖峰,但是对于由于寄生电感引起的误开通,米勒钳位电路有时就不是非常的有效,此时给驱动提供负电压是一个比较好的解决办法。
对于驱动电路中的误开通,需要根据实际的情况进行分析并加以解决。
〈烜芯微/XXW〉专业制造二极管,三极管,MOS管,桥堆等,20年,工厂直销省20%,上万家电路电器生产企业选用,专业的工程师帮您稳定好每一批产品,如果您有遇到什么需要帮助解决的,可以直接联系下方的联系号码或加QQ/微信,由我们的销售经理给您精准的报价以及产品介绍
联系号码:18923864027(同微信)
QQ:709211280