mos管散热片要绝缘吗?
MOS管是功率元器件,发热量比较大,需要额外辅助散热,可以保障MOS管不被烧坏,维护电子设备的稳定。
MOS管的散热设计,需要足够的散热片以及导热绝缘硅胶垫片才能实现。mos散热片是一种给电器中的易发热电子元件散热的装置,多由铝合金,黄铜或青铜做成板状,片状,多片状等。

MOS管的散热片确实需要保持绝缘。这是因为场效应管在工作时,其电流特性可能导致管体电位与输入输出端口电位之间产生巨大差异,从而出现反向漏电,造成电路短路或其他故障,严重时甚至可能危及设备的安全性。
因此,MOS管与散热片之间需要保持一定的绝缘距离,通常通过在它们之间加入硅胶导热片或导热绝缘片来实现。导热绝缘片具有良好的导热性,绝缘性能高,可以有效?;OS管不被烧毁,维护设备的稳定,所以在MOS管的应用中,确保适当的散热和绝缘是非常重要的。
mos管散热片要绝缘吗?
看MOS的封装结构和电路形式和它们的散热部位是否在电路中相互直接连接。全塑封装,装到散热器上时不必加绝缘垫;带金属片与中间脚相连,装散热器时要加绝缘垫。如果在电路中本来就是相互间直接连接的(例如都是接地的),那么就无须绝缘。否则就要加绝缘件。
mos管散热片要接地吗?
MOS管的散热片需要接地。因为在电磁兼容性(EMC)测试中,接地散热片对于MOS管是必要的。
当MOS管的EMC通过时,散热片需要接地,而在散热片不接地的情况下,EMC是无法通过的。
简单来说,针对传导可以将一些开关辐射通过散热器传导到大地回路,减弱了走传输线,让流通的路径更多了。
不接地的散热片不仅对EMC没有好处,反而可能成为辐射发射源,对EMC造成更大的干扰。接地散热片还能起到一定的屏蔽效果,有助于提高电子设备的整体稳定性。
共模干扰

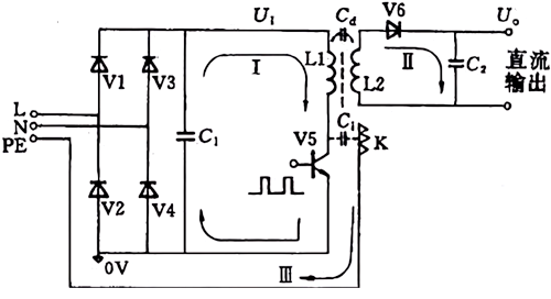
图1所示,减少开关管集电极和散热片之间的耦合电容Ci。可以选用低介电常数的材料作绝缘垫,加厚垫片的厚度。也可以用静电屏蔽的方法。例如,在集电极和散热片之间垫上一层夹心绝缘物,即绝缘物中间夹一层铜箔,作为静电屏蔽层,并接在输入直流0V地上,散热片仍接机壳地,这层静电屏蔽层将大大减小集电极和散热片之间的电场耦合。
图2所示,即将共模干扰转化为差模,回流的源中,不通过LISN。

开关管和散热片之间的静电屏蔽
〈烜芯微/XXW〉专业制造二极管,三极管,MOS管,桥堆等,20年,工厂直销省20%,上万家电路电器生产企业选用,专业的工程师帮您稳定好每一批产品,如果您有遇到什么需要帮助解决的,可以直接联系下方的联系号码或加QQ/微信,由我们的销售经理给您精准的报价以及产品介绍
联系号码:18923864027(同微信)
QQ:709211280