过零比较器即为在输入信号穿越0电平时,输出脉冲。将输入信号与零电平进行比较。当输入信号的电压超过零电平时,输出电路为高电平;当输入信号电压小于或等于零电平时,输出电路为低电平。
过零比较器是用于检测信号是否经过了某个阈值,并在信号穿过阈值时输出一个短脉冲信号的电路元件。通常情况下,过零比较器会用于交流电路中的零点检测和调光等应用,其输出信号常??捎糜诳刂破渌氐缏?,从而实现对交流电路的控制。
过零比较器原理
利用对称放大器和比较器的结合,实现对交流信号的检测。在交流信号为正半周的时候,比较器输出低电平,当信号变为负半周时,比较器输出高电平。通过这样的方式,就可以实现对交流信号的零点检测。
过零比较器的电路结构一般由一个放大器、一个比较器以及一个零点交叉检测电路构成。其中放大器的作用是对信号进行放大,以便更好地进行比较。而比较器则会比较放大后的信号和一个固定的参考电压,当信号超过这个参考电压时,比较器输出高电平,否则输出低电平。零点交叉检测电路则可以通过对正弦交流信号的零点位置进行检测,从而确定交流信号穿过参考电压的时刻,进而输出一个短脉冲信号。
当输入信号Vi为一正弦波时,Vi每过零一次,比较器的输出Vo将产生一次电压跳变,输入Vi,输出Vo,经RC微分电路后的输出Vo’如下图所示:


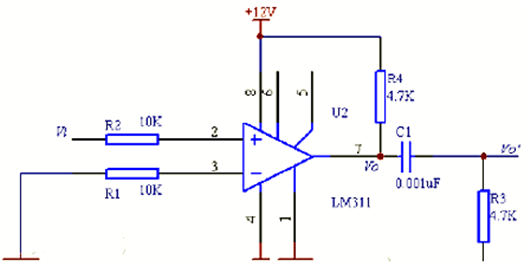
过零比较器电路图
过零比较器根据输入方式的不同分为反相输入式和同相输入式两种。反相输入式过零比较器的同相输入端接地,而同相输入式过零比较器的反相输入端接地。
对于反相输入式过零比较器,当输入信号电压ui>0时,输出电压u。=-u0m。;当u1<0 时,u。=+u0m。反相输入式过零比较器电路及电压传输特性如图所示。
对于同相输入式过零比较器,当输入信号电压u1>0时,输出电压u。=+u0m;当ui<0 时,u0=-u0m。同相输入式过零比较器电路及电压传输特性如图所示。


图 反相输入式过零比较器


图 同相输入式过零 比较器
对于反相输入式过零比较器当输入电压为正弦波电压ui,时,则u1。为矩形波。
〈烜芯微/XXW〉专业制造二极管,三极管,MOS管,桥堆等,20年,工厂直销省20%,上万家电路电器生产企业选用,专业的工程师帮您稳定好每一批产品,如果您有遇到什么需要帮助解决的,可以直接联系下方的联系号码或加QQ/微信,由我们的销售经理给您精准的报价以及产品介绍
联系号码:18923864027(同微信)
QQ:709211280