MOS管尖峰产生的原因主要与电压电流的瞬态变化以及寄生参数(电感、电容)有关,特别是在高频开关时。
在MOS开通过程中,伴随很大的电压瞬变,即dv/dt,从而在寄生电容中产生大的位移电流Cdv/dt,形成电流尖峰;在MOS关断过程中,通道内产生电流瞬变,di/dt,瞬变电流在寄生电感端产生尖峰电压Ldi/dt。
MOS的关断速度太快,导致漏极dv/dt过高,布线没布好,导致分布参数过大,吸收电容过小,也会产生尖峰。
SiC MOSFET中,由于开关的时候电压和电流的急剧变化,器件的封装电感和周边电路的布线电感影响变得无法忽视,导致漏极源极之间会有很大的电压尖峰。
根据公式u=-Ldi/dt,在削减尖峰时可以从这几个方面进行考虑:
1. MOSFET关断前的电流;
2. 开关速度;
3. 电路中电感(包括寄生电感)。
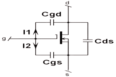
MOS管的等效模型中,电容是必不可少的,四个电极(栅极,漏极,源极,体电极)两两之间都存在电容。栅极与源极/体电极电容主要影响静态特性和开关时的驱动能力,比如阈值电压和栅极充电电荷。漏极和源极/体电极电容对器件的影响会小一些,通常关注较少。漏极和栅极间的电容就是常说的密勒电容,对器件开关特性具有较大影响,也是MOS管开启时出现电流尖峰的原因。


MOS管等效电路图
电感来自于负载电感和走线的寄生电感,它主要造成了MOS管关断时的电压尖峰。电容电感之所以会影响到器件的开关特性,可以归因于两句话,“电容两端的电压不能突变,流过电感的电流不能突变”。器件的开启或关断过程,就是器件的电压/电流发生变化的过程。既然有变化,就必有随时间的变化率,即dV/dt和和dI/dt。电容的位移电流与电容大小有关,即Ic=C*dV/dt;电感两端的感应电动势与电感大小有关,即Vi=L*dI/dt。


二极钳位管感性负载开关电路图
所谓信号尖峰,也就是在曲线上升到峰值后,出现下降,之后继续下降,或趋于平稳。在MOS管开关过程中,信号尖峰过后,通常会趋于平稳。在二极管钳位感性负载电路中,MOS管开启时,电流上升,上升到一定值后,电压开始下降,存在dV/dt。密勒电容和dV/dt如果都较大,将需要一个较大的位移电流。如果这个位移电流大于器件开启后的稳定电流,之后会逐步减小到稳定电流,在曲线上形成电流尖峰。此时,如果二极管是非理想的,其反向恢复电荷将导致更显著的电流尖峰。在MOS关断过程中,电压上升,上升到一定值时电流开始下降,存在dI/dt。如果寄生电感和dI/dt都比较大,会产生较大的感应电动势。当感应电动势大于器件关断后的稳定电压时,将形成一个电压尖峰。
MOS管大电流关断为什么出现尖峰电压?
尖峰电压属于浪涌电压里的一种,持续时间极短但数值很高。电机、电容器和功率转换设备(如变速驱动器)是产生尖峰电压的主要因素。雷电击中室外的输电线路也会引起极危险的高能瞬变。它们会在低压电源电路中定期发生,峰值可能会达到数千伏。


处理方法
为了防止电动机绕组的绝缘过早老化或引起电动机、变频器的损坏,通常可以提供加接输出电抗器的方法来减小在电动机端脚上的高次谐波冲击电压。
当变频器与电动机之间的电缆线较长时,加装输出电抗器虽然可以减小负荷电流的峰值,但输出电抗器不能减小电动机端脚上的瞬变电压峰值。因此,一定要尽量缩短变频器与电动机之间的电缆线的长度。
(1)增加电抗器或滤波器:在连接变频电动机电缆的两侧增加电抗器(扼流圈)或滤波器,这样可以有效减缓电源端输出电压脉冲的上升速度。
(2)缩短电缆长度:在设计线路时,应尽量减少变频器与电动机之间电缆的长度。通过缩短电缆长度来降低两者之间的暂态波过程的振荡周期,以此来降低电动机两端的过电压。
(3)此外,还应确保电动机铁心在检修过程中不受损伤或短路,电动机轴承等部件的装配满足精度要求,尽量降低涡流损耗等引起的局部发热和机械配合问题对电动机绝缘的影响。
〈烜芯微/XXW〉专业制造二极管,三极管,MOS管,桥堆等,20年,工厂直销省20%,上万家电路电器生产企业选用,专业的工程师帮您稳定好每一批产品,如果您有遇到什么需要帮助解决的,可以直接联系下方的联系号码或加QQ/微信,由我们的销售经理给您精准的报价以及产品介绍
联系号码:18923864027(同微信)
QQ:709211280