门电路是数字电路中最基本的逻辑单元。最基本的门电路有与门电路,或门电路,非门电路等。
与门又称“与电路”、逻辑“积”、逻辑“与”电路。是执行“与”运算的基本逻辑门电路。有多个输入端,一个输出端。当所有的输入同时为高电平(逻辑1)时,输出才为高电平,否则输出为低电平(逻辑0)。其二输入与门的数学逻辑表达式:Y = AB,对应的真值表如下:


与门的实现方法包括使用CMOS逻辑、NMOS逻辑、PMOS逻辑以及二极管实现等。
与门电路图
与门电路的基本结构和逻辑符号见下图:


在与门电路功能示意图中,只有在开关A和B都闭合时,灯才会亮,如果A和B中任意一个处于开路状态,灯就不会亮。
由二极管和电阻器构成的与门电路见下图:


图中A,B为两个输入变量,F为输出变量,当A,B均为高电平,F为高电平,A,B只要有一个为低电平,F就为低电平。
与门电路原理图
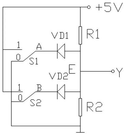
如图所示,是由二极管和电阻构成的电路,其中A、B为输入端,S1、S2为开关,Y为输出端,单的+5V电压经R1、R2分压,在E点得到+3V电压。


当S1、S2均拨至位置“2”时,A、B端对地电压都为0V,由于E点电压(注:各点电压均指该点对地电压。以下同)为3v,所以二极管VD1、VD2都导通,E点电压马上下降到0.7V,Y端输出电压为0.7V。
当S1拨至位置“2”、S2拨至位置“1”时,A端电压为0V,B端电压为5V,由于E点电压为3V,所以二极管vD1马上导通,E点电压下降到07V,此时VD2正端电压为0.7V,负端电压为5V,VD2处于截止状态,Y端输出电压为0.7V。
当S1拨至位置“1”、S2拨至位置“2”时,A端电压为5V,B端电压为0v,VD2导通VD1截止,E点为0.7V,Y端输出电压为0.7V。
当S1、S2均拨至位置“1”时,A、B端电压都为5V,VD1、VD2均不能导通,E点电压为3V,Y端输出电压为3V。
为了分析方便,在数字电路中通常将0~1V范围的电压规定为低电平,用“0”表示,将3-5V范围的电压称为高电平,用“1”表示。根据该规定,可将与门电路工作原理简化如下
当A=0、B=0时,Y=0;
当A=1、B=0时,Y=0;
当A=0、B=1时,Y=0;
当A=1、B=1时,Y=1。
由此可见,与门电路的功能是:只有输入端都为高电平时,输出端才会输出高电平;只要有一个输入端为低电平,输出端就会输出低电平。
〈烜芯微/XXW〉专业制造二极管,三极管,MOS管,桥堆等,20年,工厂直销省20%,上万家电路电器生产企业选用,专业的工程师帮您稳定好每一批产品,如果您有遇到什么需要帮助解决的,可以直接联系下方的联系号码或加QQ/微信,由我们的销售经理给您精准的报价以及产品介绍
联系号码:18923864027(同微信)
QQ:709211280