
肖特基二极管封装,作为一种非常重要的电子元器件,具有很多独特的特性和优点,可以广泛应用于各种电子设备中。
今天,我们就来深入了解一下这种神奇的元器件,看看它在现代电子技术中的和作用。
我们需要明确肖特基二极管的基本结构和原理。它由一个P型半导体和一个N型半导体组成,中间夹着一个金属接触,形成一个PN结。与普通的PN结二极管不同的是,肖特基二极管的金属接触是由一层金属和一层半导体材料组成的,这就是肖特基势垒,也是它独特的特性之一。
肖特基势垒的存在,使得肖特基二极管具有很多优异的性能。它的反向漏电流很小,可以达到甚至1微安的级别。这意味着在一些低功耗的电子设备中,肖特基二极管可以起到非常重要的作用。它的开关速度很快,响应速度可以达到纳秒级别,可以应用于高速开关电路和高频信号放大器等领域。肖特基二极管还具有低噪声、低电压降和高可靠性等特点,可以满足各种特殊的应用要求。
那么,在现代电子技术中,肖特基二极管有哪些应用呢?它广泛应用于各种电子设备和电路中,如逆变器、直流/直流转换器、开关电源、功率放大器等。特别是在一些高温、高速、高频、高压等环境下,肖特基二极管的优异性能更加凸显。比如,在航空航天、汽车电子、通信等领域,肖特基二极管得到了广泛的应用。它还可以作为电荷耦合器或者整流器使用,应用于各种传感器和控制系统中。


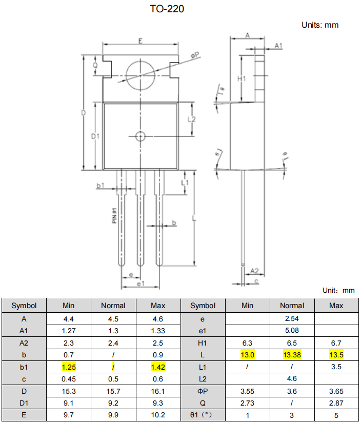
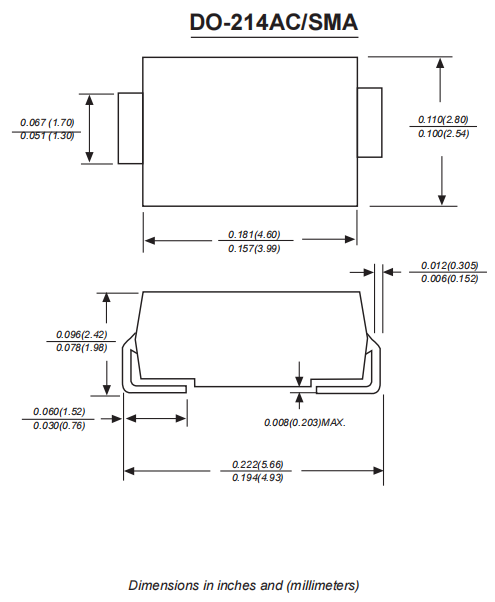
让我们来看一下肖特基二极管封装的形式。肖特基二极管的封装形式多种多样,常见的有SOD-123、SMA、TO-277、TO-220等封装形式,根据不同的应用场景和要求,可以选择不同的封装形式和规格。随着现代电子技术的不断发展,肖特基二极管的封装形式也在不断创新和改进,比如COB封装、CSP封装、DFN封装等,可以更好地满足不同尺寸、功率、温度等要求。


综上所述,肖特基二极管封装作为一种非常重要的电子元器件,具有很多独特的特性和优点,可以广泛应用于各种电子设备中。如果你是一名电子工程师或者电子爱好者,一定要学习和掌握肖特基二极管的原理和应用,它将为你的电子设计和带来很多的帮助和启示。
〈烜芯微/XXW〉专业制造二极管,三极管,MOS管,桥堆等,20年,工厂直销省20%,上万家电路电器生产企业选用,专业的工程师帮您稳定好每一批产品,如果您有遇到什么需要帮助解决的,可以直接联系下方的联系号码或加QQ/微信,由我们的销售经理给您精准的报价以及产品介绍
联系号码:18923864027(同微信)
QQ:709211280