BZX84C43,BZX84C43稳压二极管,BZX84C43参数
BZX84C43稳压二极管,BZX84C43丝印Y15,43V型号BZX84C43参数,BZX84C43封装SOT-23规格书
BZX84C43稳压二极管,BZX84C43丝印Y15,43V型号BZX84C43参数,BZX84C43封装SOT-23规格书

BZX84C43 SOT-23参数封装:点击查看


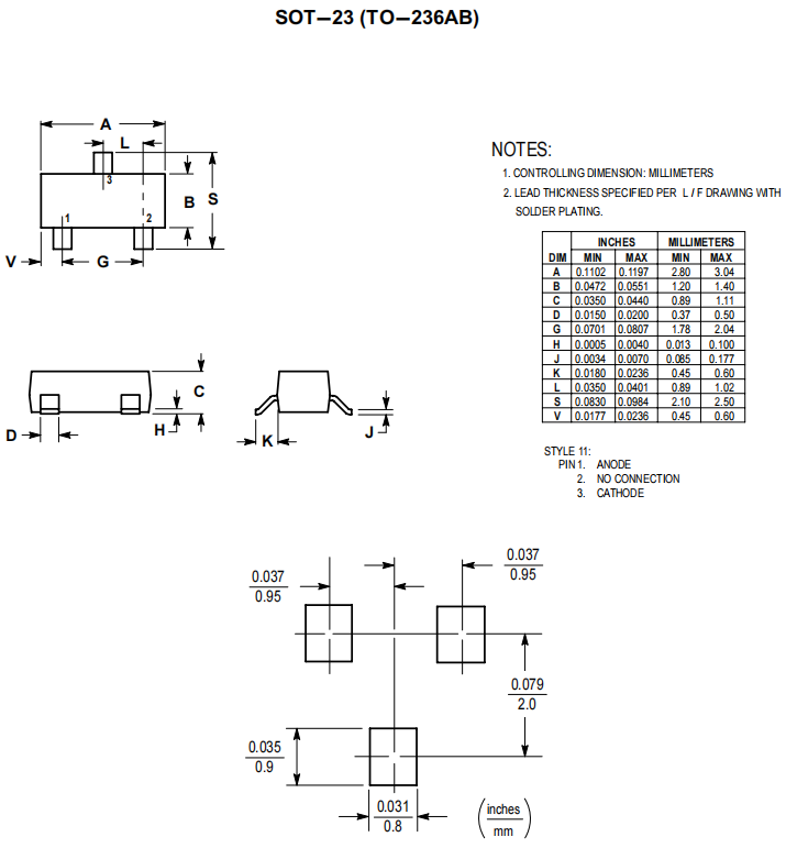
BZX84C43封装为SOT-23
BZX84C43稳压二极管参数如下:
Power Dissipation 功率 PD:300mW
Zener Voltage Range 齐纳电压 Nom:43V
Zener Voltage Reverse Current 齐纳电压反向电流 IZT:2mA
Zener Impedance Maximum Zener Impedance 齐纳阻抗最大齐纳阻抗:ZZT(at IZT) :100Ω
Forward Voltage 正向电压 VF:0.95V
Leakage Current Reverse Leakage Current 反向漏电流 IR:0.1μA
Operating and Storage Temperature Range 操作和储存温度范围 Tj, TSTG:-55to+150℃
BZX84C43稳压二极管SOT-23封装尺寸:


〈烜芯微/XXW〉专业制造二极管,三极管,MOS管,桥堆等,20年,工厂直销省20%,上万家电路电器生产企业选用,专业的工程师帮您稳定好每一批产品,如果您有遇到什么需要帮助解决的,可以直接联系下方的联系号码或加QQ/微信,由我们的销售经理给您精准的报价以及产品介绍
联系号码:18923864027(同微信)
QQ:709211280