15N65场效应管,15A 650V,15N65参数资料,15N65引脚图,15N65中文资料规格书PDF

15N65 TO-220F参数封装:点击查看

15N65封装有TO-252/TO-220/TO-220F
极性:NPN
Drain-Source Voltage 漏源电压Vds:650V
Gate-Source Voltage 栅源电压Vgs:±30V
Continuous Drain Current 漏极电流Id Tc=25℃:15A
Continuous Drain Current 漏极电流Id Tc=100℃:9.5A
Power Dissipation 功率损耗Pd:60W
Static Drain-Source On-Resistance 导通电阻ID=7.5A,VGS=10V:Typ:0.45Ω Max 0.52Ω
Junction and Storage Temperature Range 温度范围:-55~+150℃
15N65场效应管/TO-252封装尺寸:

15N65场效应管/TO-220封装尺寸:

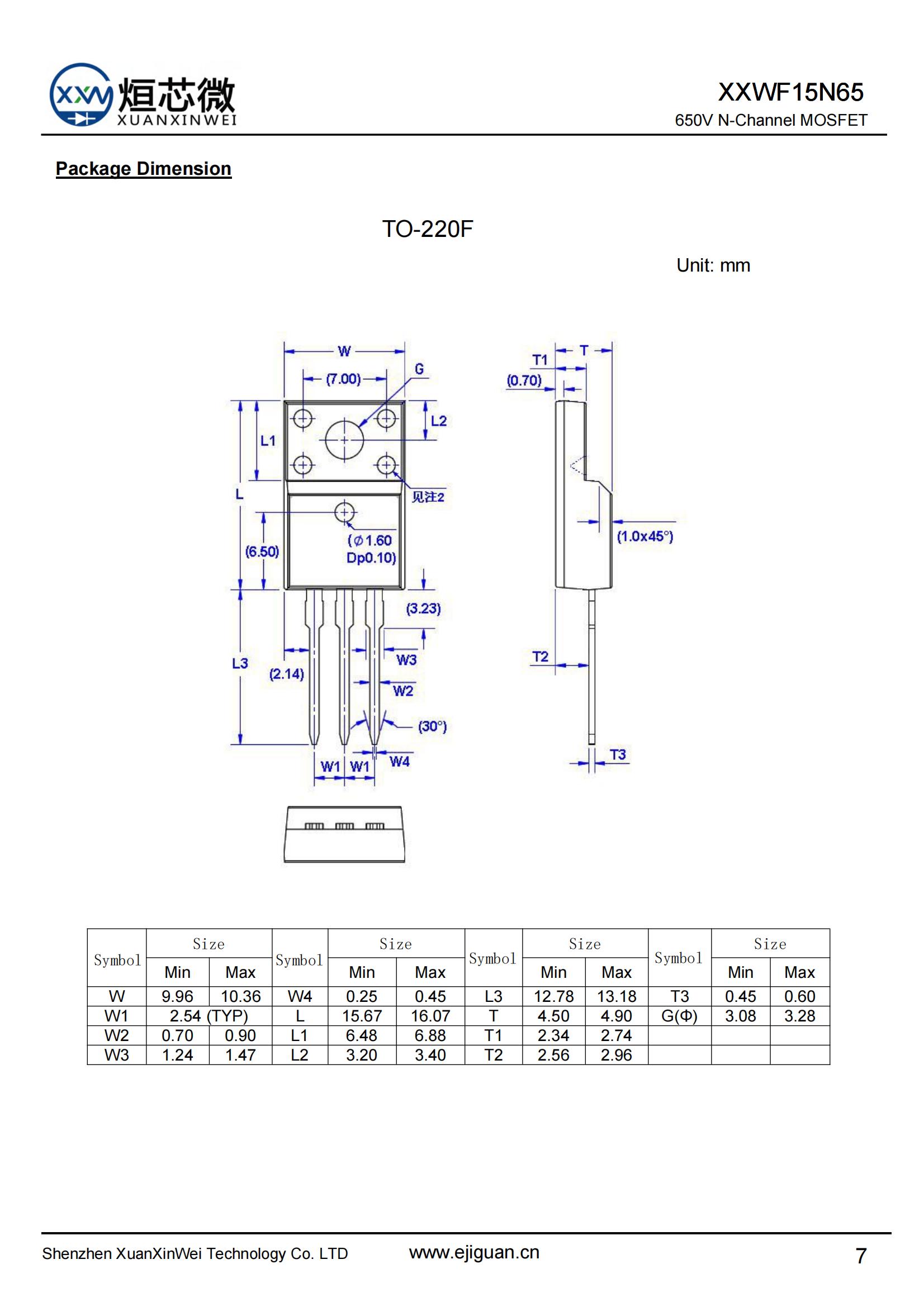
15N65场效应管/TO-220F封装尺寸:

〈烜芯微/XXW〉专业制造二极管,三极管,MOS管,桥堆等,20年,工厂直销省20%,上万家电路电器生产企业选用,专业的工程师帮您稳定好每一批产品,如果您有遇到什么需要帮助解决的,可以直接联系下方的联系号码或加QQ/微信,由我们的销售经理给您精准的报价以及产品介绍
联系号码:18923864027(同微信)
QQ:709211280