功率半导体的栅极电阻选型,一般有两个优化目标。一方面,选择电阻值较小的栅极电阻,可以使得功率半导体的开关速度更快。这将降低开关损耗,从而降低总体损耗。另一方面,选择较大的栅极电阻可以降低开关速度,比如dvCE/dt或diC/dt。这可使栅极电路中发生的由寄生杂散电感或耦合电容引起的振荡减少。因此,必须通过折中的办法实现门极电阻的最优化配置。然而,只需管理特定的工况点(如临时过载或轻载条件)就已足够。这些条件的开关速度比应用系统正常运行时更慢。
电机驱动在低负荷条件下运行是典型的轻载条件。由于来自二极管的换向电流很小所以流入IGBT的正向电流也很小,在对应的IGBT开通速度太快时,可能造成严重振荡。如果正向电流能达到标称电流[1]的25%或以上,则这些振荡可以被大幅度地减弱甚至消除。
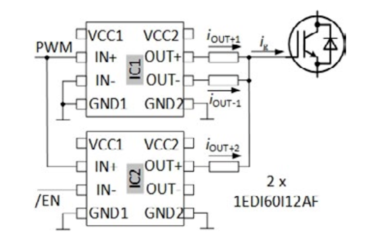
正常的栅极驱动电路如图1所示。一个栅极驱动器的开通电流和关断电流大小取决于栅极电阻的栅极电流。电流iOUT+给功率晶体管的栅极充电,而电流iOUT-给功率晶体管的栅极放电。

图1. 使用单一芯片的常规栅极驱动器
图2显示了推荐的开通电流能力得以改进的栅极驱动概念。将型号为1EDI60I12AF的两个栅极驱动器并联。两个IN+并接被用于常规PWM输入信号。栅极驱动芯片IC2的端子IN-被用于是否选择芯片IC2一起参与输出。该信号可由应用控制简单生成,也能用与开关性能有关的传感信号来控制,比如自温度或集电极电流。启用IC2芯片可以给栅极电流ig注入另一个分量iOUT+2从而一起参与开通过程。

图2. 提议的栅极驱动设计
如图2所示,只有驱动芯片IC1可以用于关断。不然可能出现IC1在输出电流而IC2在吸收电流的情况,这会导致芯片中或相关栅极电阻中出现过度的功率损耗。
栅极电流ig(t)的时间控制如图3所示。如图3中上图所示,在低负荷条件下,用于导通和关断的栅极电流只能由芯片IC1提供。导通性能可以根据个别应用需求或设计准则(比如驱动系统中的最大dvCE/dt)进行调整[3]。参见图2可知,可以通过对IC2的IN-端施加低电平信号,来实现高负荷运行和低负荷运行之间的切换。它可激活IC2的电流输出端,从而实现更快速的开通。选择IC2的OUT+端的附加导通栅极电阻值时,必须能使功率晶体管的导通性能再次满足应用需求。

图3. IC1和IC2的栅极电流时间控制
测量结果评估
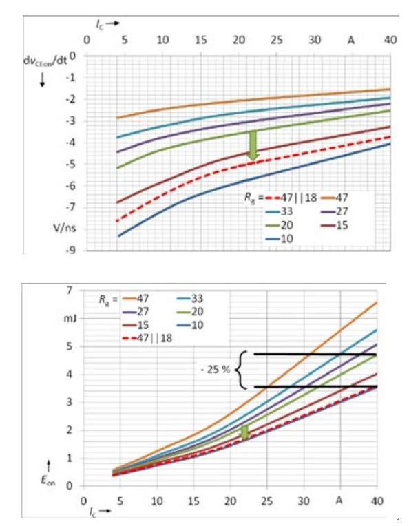
图4所示为开通电流能力得以改进的栅极驱动概念下,不同栅极电阻和集电极电流IC的导通能耗Eon和dvCE/dt的双脉冲试验的结果。栅极电阻从10?到47?不等(常规解决方案对应的是实线),集电极电流位于标称电流的10%到100%之间。通过软件计算90%/10%之间的dvCE/dt值。测试功率晶体管为40A/1200V IGBT(IKW40N120T2)。

图4. 提议的速率控制技术对开通的dvCEon/dt(上图)和开关能耗Eon(下图)的影响
电压变化率dvCE/dt随集电极电流上升而上升。两个栅极驱动器各自的栅极电阻为Rg1=18?和Rg2=47?。应用推荐的栅极驱动技术可以在较小的集电极电流区间内使用栅极电阻Rg1。根据推测,图4中与Rg=20?对应的绿线将取得与Rg=18?类似的结果,但dvCE/dt会小一些。在标称电流50%(IC=20A)以上,会切换到同时使用两颗栅极驱动芯片并行运行的情况(此时Rg为Rg1与Rg2并联的阻值13?)。
开通损耗如图4中的下图所示。使用本文推荐的栅极驱动时,标称电流(IC=40A)下的开通损耗可从4.8mJ下降到3.6mJ。这相当于开通损耗Eon降低了25%左右。
〈烜芯微/XXW〉专业制造二极管,三极管,MOS管,桥堆等,20年,工厂直销省20%,上万家电路电器生产企业选用,专业的工程师帮您稳定好每一批产品,如果您有遇到什么需要帮助解决的,可以直接联系下方的联系号码或加QQ/微信,由我们的销售经理给您精准的报价以及产品介绍
联系号码:18923864027(同微信)
QQ:709211280