积分运算电路
1.一般的积分运算电路
反相积分运算电路是常用的积分运算电路。如下图所示。

电路分析:输入电阻为R,放大倍数取决于R、C的大小。为保证集成运放输入级差分放大电路的对称性,电阻R′应等于R的阻值。积分电路常用于波形转换,如将矩形波变三角波。对正弦波积分可以实现相移。
2.稳定的积分运算电路
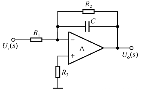
上述的分析是基于通频带内,如果频率趋于0,电容容抗无穷大,反馈电路近似为开路。反馈电路开路就会导致电压放大倍数无穷大,集成运放电压失调。为了避免低频反馈电阻无穷大,一般会并联上一个电阻。

一般取R2>10R1,可见R2也是一个大电阻,但是远比低频电容容抗小。通频带中R2几乎不分流,所以电压增益不会减小太多。分析方式与一般的积分运算电路相同。
微分运算电路
1.一般的微分运算电路
反相微分运算电路是常用的微分运算电路,如下图所示。

稳定的微分运算电路
上面的微分运算电路存在不少问题,实际运用中会发生阻塞和自激振荡。
电容电压不会跃变,当输入发生跃变时,电容起不到缓冲作用,跃变电压直接输入到集成运放,导致集成运放中部分三极管进入饱和区或截止区,运放失去放大功能,即出现阻塞。
集成运放输入级存在着分布电容和其他电容,这些电容是导致电路自激振荡的原因之一。一般集成运放都会带有补偿电容防止自激振荡,但是微分运算电路在输入级放置电容就很容易发生自激振荡。
一般采用下图电路来解决阻塞和自激振荡。

如图所示在输入级放置一个小电阻可以防止阻塞,当有较大的脉冲时,电阻可以起到缓冲作用。在反馈通路并联一个小电容作为补偿电容可以有效防止自激振荡。补偿电容选取一般3-10pF。
当反馈通路并联上一个电容后看上去有点像积分电路,那么如何区分积分还是微分电路呢?可以通过判断电容大小,微分电路输入端的电容远大于反馈通路的电容。
〈烜芯微/XXW〉专业制造二极管,三极管,MOS管,桥堆等,20年,工厂直销省20%,上万家电路电器生产企业选用,专业的工程师帮您稳定好每一批产品,如果您有遇到什么需要帮助解决的,可以直接联系下方的联系号码或加QQ/微信,由我们的销售经理给您精准的报价以及产品介绍
联系号码:18923864027(同微信)
QQ:709211280