积分电路并联一个电阻的影响
一、消除三角波形的底部失真
比例积分电路可以讲输入的方波转化为三角波,但输出的三角波往往会出现底部失真的现象,如图所示。

图中的失真现象尚且不是特别明显。导致三角波失真的原因是运放往往会存在很小的失调电压和偏置电流,然后持续作用在反馈电容上。
但是电容对于低频的直流电压的阻碍作用特别明显。根据虚短和虚短的公式(电容C充当Rf)很小的失调电压都会在输出端累计一个很大的直流偏置电压,导致三角波失真。
当并联一个电阻值很大的电阻时(一般都会并联100k的电阻,如果过大就再并联一个100k的电阻,并联两个100k的就相当于并联了一个50k的电阻),可以为失调电压提供一个小的直流负反馈,进而消除直流电压对输出信号的影响。故可以解决三角波底部失真的问题。
二、对输出电压没有影响
在不改变方波频率等条件的前提下,比例积分电路电容并联一个电阻值很大的电阻对输出电压没有影响。
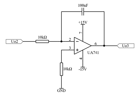
3.比例积分电路

在按照电路图搭建电路时,输出的三角波存在底部失真问题。于是在100nF的电容旁并联了一个100k的电阻。再次用示波器的测量是结果如下。

方波的峰峰值为29.6V ,辐值为正负14.8V。通过不考虑电阻值计算的理论值为7.7552V与实际测量值7.28V。在一定的误差范围内,实验结果比较符合预期。
〈烜芯微/XXW〉专业制造二极管,三极管,MOS管,桥堆等,20年,工厂直销省20%,上万家电路电器生产企业选用,专业的工程师帮您稳定好每一批产品,如果您有遇到什么需要帮助解决的,可以直接联系下方的联系号码或加QQ/微信,由我们的销售经理给您精准的报价以及产品介绍
联系号码:18923864027(同微信)
QQ:709211280