MOS管防反接
电源反接,会给电路造成损坏,不过,电源反接是不可避兔的。所以就需要给电路中加入保护电路,达到即使接反电源,也不会损坏的目的。
MOS管防反接,好处就是压降小,小到几乎可以忽略不计。现在的MOS管可以做到几个毫欧的内阻, 假设是6.5毫欧,通过的电流为1A (这个电流已经很大了) ,在它上面的压降只有6.5毫伏。
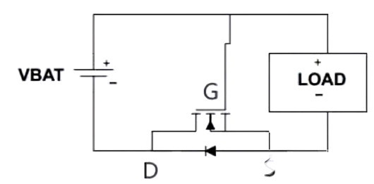
NMOS管防止电源反接电路:

正确连接时: 刚上电, MOS管的寄生二极管导通,所以S的电位大概就是0.6V ,而G极的电位,是VBAT,VBAT-0.6V大于UGS的阀值开启电压,MOS管的DS就会导通,由于内阻很小,所以就把寄生二_极管短路了,压降几乎为0。
电源接反时: UGS=0,MOS管不会导通,和负载的回路就是断的,从而保证电路安全。
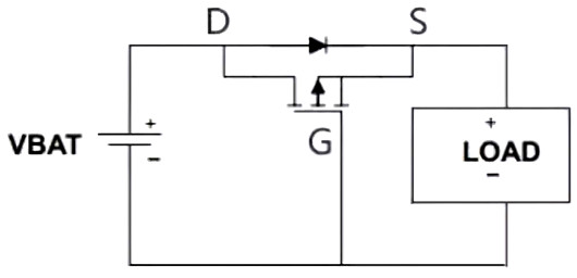
PMOS管防止电源反接电路:

正确连接时: 刚上电, MOS管的寄生二极管导通,电源与负载形成回路,所以S极电位就是VBAT-0.6V ,而G极电位是0V,PMOS管导通,从D流向S的电流把二极管短路。
电源接反时: G极是高电平, PMOS管不导通。?;さ缏钒踩?。
连接技巧
NMOS管DS串到负极,PMOS管DS串到正极,让寄生二极管方向朝向正确连接的电流方向。
感觉DS流向是“反”的?
仔细的朋友会发现,防反接电路中,DS的电流流向,和我们平时使用的电流方向是反的。
为什么要接成反的?
利用寄生二极管的导通作用,在刚上电时,使得UGS满足阀值要求。
为什么可以接成反的?
如果是三极管,NPN的电流方向只能是C到E , PNP的电流方向只能是E到C。不过, MOS管的D和S是可以互换的。这也是三极管和MOS管的区别之一。
上面是示意图,实际应用时, G极前面要加个电阻。
〈烜芯微/XXW〉专业制造二极管,三极管,MOS管,桥堆等,20年,工厂直销省20%,上万家电路电器生产企业选用,专业的工程师帮您稳定好每一批产品,如果您有遇到什么需要帮助解决的,可以直接联系下方的联系号码或加QQ/微信,由我们的销售经理给您精准的报价以及产品介绍
联系号码:18923864027(同微信)
QQ:709211280