电路中噪声的描述方法
对于一个普通的电路,我们如何来进行噪声的分析呢?通常我们会不由自主的想到,通过之前推导出的噪声公式,计算出各个噪声在输出点的和,就能够表示噪声的大小了。
尽管这个方法是十分直观的,但是由于模拟电路中有许许多多的放大器和提供增益的部分。如果将输出点的噪声当作参考,就无法对不同电路的噪声进行合理的比较了!
换句话说,如下图所示,如果噪声源的后面更上一个放大器,那么当我们只考虑输出噪声的时候,就会得出“随着增益A1的增大,电路噪声增大”这种结论,这显然是不对的,因为放大器再放大噪声的同时也在放大实际的信号,所以输出的信噪比并不和增益相关。因此我们不能够用输出点的噪声来表示电路的噪声。

既然不能用输出点的噪声来当作电路的总噪声,那么我们自然就会想到:用输入点的噪声来表达电路的噪声性能就会显得比较合适了。
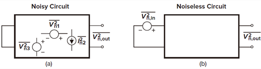
我们需要把电路中的各个噪声源都折算到输入端,如下图所示,在输入端用一个信号源代表电路中所有噪声源的影响,这样我们就能够用输入端的噪声情况来比较不同电路的噪声性能。同样,不同电路的输出噪声也能够直接用输入噪声源和增益算出来,一举两得。

但是要注意的是,不能仅仅只用一个等效噪声电压源或者一个等效噪声电流源来表示电路的噪声性能,而要两个一起用。
这是因为大部分电路都有一定的输入阻抗,如果电路的输入阻抗有限,仅仅用一个电压源模拟输入参考噪声,意味着当信号源阻抗变大时输出噪声趋于零,这个是不对的。因此,总的来说,用等效输入噪声电流源和电压源一起表示,就能够很好的表示噪声了。

需要注意的是,输入参考噪声是一个虚构的量,它并不能够在输入端测量到,虽然它与实际噪声在数学上等价,但是实际的电路噪声源是分散在各个电路间的,并不能看作只存在于输入端。
〈烜芯微/XXW〉专业制造二极管,三极管,MOS管,桥堆等,20年,工厂直销省20%,上万家电路电器生产企业选用,专业的工程师帮您稳定好每一批产品,如果您有遇到什么需要帮助解决的,可以直接联系下方的联系号码或加QQ/微信,由我们的销售经理给您精准的报价以及产品介绍
联系号码:18923864027(同微信)
QQ:709211280