MOS管搭建反相器
下图为反相器的结构示意图,由一个PMOS和一个NMOS拼接而成
当v=1时,T1截止,T2导通,vo=0;
当v=0时,T1导通,T2截止,vo=1;

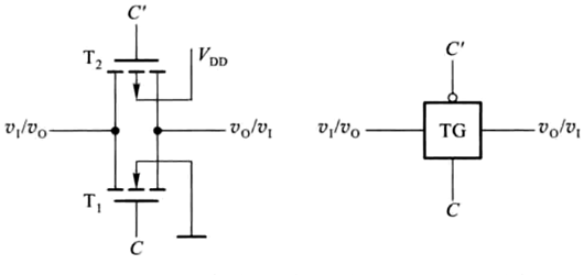
MOS管搭建传输门
利用PMOS和NMOS的互补性可以拼接而成CMOS传输门
当C=1时,传输门开启,输出端=输入端

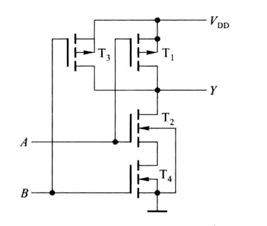
MOS管搭建与非门
如图为CMOS搭建的与非门结构,由两个并联的PMOS和两个串联的NMOS构成

当A=B=1时,T2和T4导通,Y=0;
当A=B=0时,T3和T1导通,Y=1;
当A=1,B=0时,T3导通,T2导通,但T4截止,Y=1;
当A=0,B=1时,T1导通,T4导通,但T2截止,Y=1;
对应关系为:
Y =A·B
〈烜芯微/XXW〉专业制造二极管,三极管,MOS管,桥堆等,20年,工厂直销省20%,上万家电路电器生产企业选用,专业的工程师帮您稳定好每一批产品,如果您有遇到什么需要帮助解决的,可以直接联系下方的联系号码或加QQ/微信,由我们的销售经理给您精准的报价以及产品介绍
联系号码:18923864027(同微信)
QQ:709211280