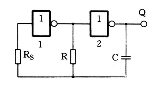
两个非门组成的振荡器

振荡原理:
假设Q为低电平,则非门2的输入端为高电平,经过R对C充电,C的电压上升,直到非门1输入端的电压达到反转电压,此时非门1的输出变为低电平,Q变为高电平。
此时,Q点、C、R、非门2的输入端,极性反转,相对于之前变为放电回路,然后转为反向充电,C的电压下降,直到非门1输入的电压达到反转电压,此时非门1的输出变为高电平,Q变为低电平。
如此循环,形成振荡,在Q端输出方波。
如果非门的反转电压为电源电压的1/2。
则振荡周期:T≈2.2·R·C
Rs用于稳定振荡频率,驱使为6~10倍的R。
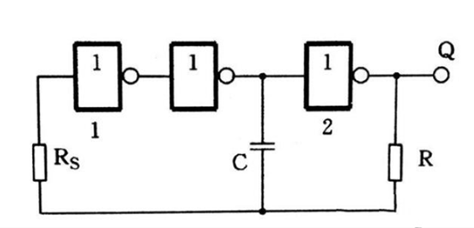
三个非门组成的振荡器

原理和两个非门的差不多,但是相比起两个非门的振动器更容易起振,工作更稳定,还能获得更高的振荡频率。
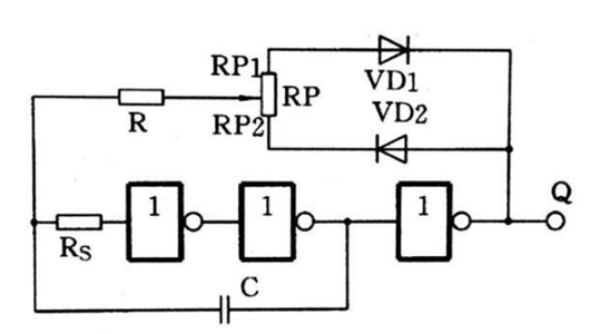
三个非门组成的可变占空比振荡器

通过滑动电位器RP使占空比可调。
充电回路(RP2+R)·C
放电回路(RP1+R)·C
另外,用施密特触发器组成的多谐振荡器比用一般门电路组成的,更简单,频率更宽,受到电源电源和温度的影响更小。
〈烜芯微/XXW〉专业制造二极管,三极管,MOS管,桥堆等,20年,工厂直销省20%,上万家电路电器生产企业选用,专业的工程师帮您稳定好每一批产品,如果您有遇到什么需要帮助解决的,可以直接联系下方的联系号码或加QQ/微信,由我们的销售经理给您精准的报价以及产品介绍
联系号码:18923864027(同微信)
QQ:709211280