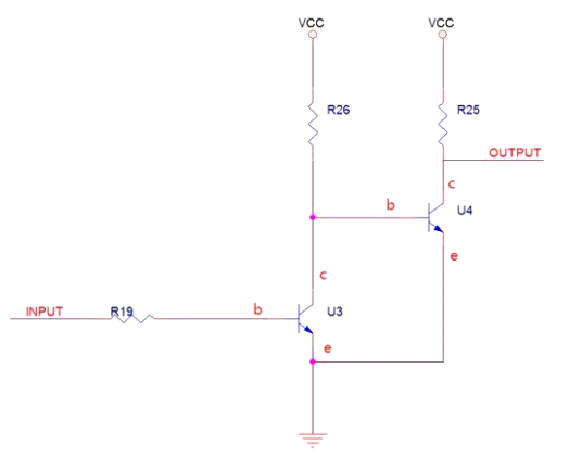
OC门电路
OC门电路:集电极开路(open collector)
OC门电路的工作原理:
1)当INPUT输入高电平,Ube>0.7V,三极管U3导通,三极管U4的b点电位为0,U4截止,OUTPUT输出高电平;
2)当INPUT输入高电平,Ube<0.7V,三极管U3截止,三极管U4的b点电位为高,U4导通,OUTPUT输出低电平;

其中R25为上拉电阻:何为上拉电阻?将不确定的信号上拉至高电平。
假设:没有R25,那么OUTPUT的输出是通过ce与地连接在一起的,输出端是空了,即高阻态。这时候OUTPUT的电平状态未知,如果后面一个电阻负载(即使很轻的负载)到地,那么输出端的电平就被这个负载拉到低电平,它是不能输出高电平的。
因此,需要接一个电阻到VCC,而这个电阻就叫上拉电阻。
OD门电路
OC门与OD门是十分相似的,只是将三极管换成了MOS管:
1)当INPUT输入高电平,GS>阈值电压,MOS管Q1导通,Q3的G点电位为0,Q3截止,OUTPUT高电平;
2)当INPUT输入低电平,GS<阈值电压,MOS管Q1截止,Q3的G点电位为高,Q3导通,OUTPUT低电平;

总结
OC门电路和OD门电路基本一致,OC采用的是TTL,而OD使用的是MOS,在实际应用时,用法基本一致:
1)都是只能输出低电平和高阻态;
2)都需要进行上拉电阻进行上拉,才能输出高电平;
3)可以设置分压电阻实现,输出电压的大小。
〈烜芯微/XXW〉专业制造二极管,三极管,MOS管,桥堆等,20年,工厂直销省20%,上万家电路电器生产企业选用,专业的工程师帮您稳定好每一批产品,如果您有遇到什么需要帮助解决的,可以直接联系下方的联系号码或加QQ/微信,由我们的销售经理给您精准的报价以及产品介绍
联系号码:18923864027(同微信)
QQ:709211280