集成负载开关框图
大部分集成负载开关包含四个引脚:输入电压引脚、输出电压引脚、使能引脚和接地引脚。
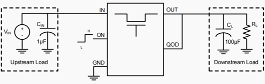
其内部框图如下:

(1)导通FET是负载开关的主要元件,它决定了负载开关可处理的最大输入电压和最大负载电流。负载开关的导通电阻是导通FET的特性,将用于计算负载开关的功耗。导通FET既可以是N沟道FET,也可以是P沟道FET,这将决定负载开关的架构。
(2)栅极驱动器以控制方式对FET的栅极进行充放电,从而控制器件的上升时间。
(3)控制逻辑由外部逻辑信号驱动。它控制了导通FET和其它??椋ㄈ缈焖偈涑龇诺缒??、充电泵和带?;すδ艿哪?椋┑慕油ê凸囟?。
(4)并非所有负载开关中均包含电荷泵。电荷泵用于带有N沟道FET的负载开关,因为栅极和源极(VOUT)间需要有正差分电压才能正确接通FET。
(5)快速输出放电??槭且桓隽覸OUT到GND的片上电阻,当通过ON引脚禁用器件时,该电阻导通。这将对输出节点进行放电,从而防止输出浮空。对于带有快速输出放电模块的器件,仅当VIN和VBIAS处于工作范围内时,此功能才有效。
(6)不同的负载开关中还包括其它功能。这些功能包括但不限于热关断、限流和反向电流?;さ?。
集成负载开关datasheet中的参数
下面列出了负载开关的常见数据表参数和定义。
-输入电压范围(VIN)–这是负载开关可支持的输入电压范围。
-偏置电压范围(VBIAS)–这是负载开关可支持的偏置电压范围。为负载开关的内部??楣┑缈赡苄枰瞬问?,具体取决于负载开关的架构。
-最大连续电流(IMAX)–这是负载开关可支持的最大连续直流电流。
-导通状态电阻(RON)–这是在VIN引脚与VOUT引脚间测得的电阻,其中考虑了封装和内部导通FET的电阻。
-静态电流(IQ)–这是为器件的内部模块供电所需的电流量,以VOUT上没有任何负载时流入VIN引脚的电流为测量值。
-关断电流(ISD)–这是禁用器件时流入VIN的电流量。
-ON引脚输入漏电流(ION)–这是ON引脚上施加高电压时流向ON引脚的电流量。
-下拉电阻(RPD)–这是禁用器件时从VOUT到GND的下拉电阻值。
集成负载开关的导通特性
如下图,以TI的TPS22919负载开关为例,电压5V,电流1A,负载电容100μF。

控制的上升时间确保了较低的浪涌电流和输入电压下降,且不需要使用任何外部组件。

〈烜芯微/XXW〉专业制造二极管,三极管,MOS管,桥堆等,20年,工厂直销省20%,上万家电路电器生产企业选用,专业的工程师帮您稳定好每一批产品,如果您有遇到什么需要帮助解决的,可以直接联系下方的联系号码或加QQ/微信,由我们的销售经理给您精准的报价以及产品介绍
联系号码:18923864027(同微信)
QQ:709211280