MOSFET放大器电路及工作原理
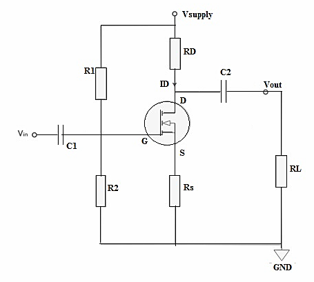
MOSFET放大器简单电路图如下图所示,在该电路中,漏极电压 (VD)、漏极电流 (ID)、栅源电压 (VGS) 以及栅极、源极和漏极的位置通过字母“G”、“S”和“ D”。
通常情况下,MOSFET在线性/欧姆、截止以及饱和三个区域工作。在这三个区域中,当MOSFET用作放大器时,它们应该工作在欧姆区域,当施加的电压增加时,流经器件的电流会增加。

MOSFET可在许多应用中用作小信号线性放大器。通常,在放大器电路中,场效应晶体管工作在饱和区。因此,在该区域中,电流的流动不取决于漏极电压 (VD)。
简单来说,电流是栅极电压 (VG) 的主要函数。在这些放大器中,通常工作点在饱和区域内。
在MOSFET放大器中,栅极电压的微小变化将在漏极电流中产生很大的变化,就像在JFET中一样。因此,MOSFET会增加微弱信号的强度,所以它可以充当放大器。
MOSFET放大器工作过程
通过将源极、漏极、负载电阻和耦合电容连接到上述电路,可以设计一个完整的MOSFET放大器电路,MOSFET放大器的偏置电路如下所示:

上述偏置电路包括分压器,其主要作用是对晶体管进行单向偏置。因此,这是晶体管中最常用的偏置方法。它使用两个电阻器来确认电压是否分离并以正确的电平分配到MOSFET中。它是通过两个R1和R2并联电阻实现的。
电路中的C1和C2耦合电容器?;て弥绷鞯缪姑馐芤糯蟮慕涣餍藕诺挠跋?。最后,将输出提供给由RL电阻形成的负载。
偏置或栅极电压可以由下式给出:
VG = Vsupply x (R2/R1+R2)
其中,R1和R2的值通常会很大,以增强放大器的输入阻抗并降低欧姆功率损耗。
输入和输出电压(Vin和Vout)
为了简单起见,需要考虑没有负载与漏极分支并联。输入电压 (Vin) 可以通过栅极 (G) 提供给源 (S) 电压,即VGS。RS电阻上的电压降可由RS×ID给出。
根据跨导 (gm) 定义,当施加恒定的漏源电压时,ID(漏极电流)与 VGS(栅源电压)的比值,即:
(gm) = ID/VGS
因此,ID = gm×VGS,并且输入电压 (Vin) 可以由 VGS 分解,如下所示:
Vin = V GS x (1+gmRs)
o/p电压 (Vout) 简单地通过漏极电阻 (RD) 上的电压降给出:
Vout = – RD x ID = -gmVGS RD
此外,电压增益 (AV) 是输入电压与输出电压的比值。简化后,方程将变为:
Av = – RD/Rs=1/gm
在上述等式中,符号“-”来自MOSFET放大器与BJT CE放大器等效地反转o/p信号这一原理。因此,相移为180°或π rad。
〈烜芯微/XXW〉专业制造二极管,三极管,MOS管,桥堆等,20年,工厂直销省20%,上万家电路电器生产企业选用,专业的工程师帮您稳定好每一批产品,如果您有遇到什么需要帮助解决的,可以直接联系下方的联系号码或加QQ/微信,由我们的销售经理给您精准的报价以及产品介绍
联系号码:18923864027(同微信)
QQ:709211280