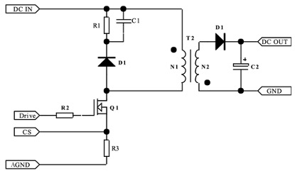
反激拓扑电路的基本线路如下:

DC IN:市电经过整流滤波后的直流输入
Drive:控制芯片的驱动信号,控制Q1进行ON/OFF
CS:控制芯片对Q1电流的采样
AGND:初级侧的地
DC OUT:输出
GND:次级侧的地
2. 两种工作模式DCM(断续)与CCM(连续)
(1)DCM与CCM模式的判断依据
DCM和CCM的判断,并非只是单纯按照初级电流是否连续来进行判断,而是要根据初,次级的电流合成来判断的。只要初,次级电流不是同时为零,那就是CCM模式。二如果存在初,次级电流同时为零的状态,那就是DCM模式。如果是介于两者之间的,就是BCM模式。
(2)两种模式在波形上的区别
A.变压器初级电流波形,DCM模式是三角波而CCM模式是梯形波。
B.次级整流管电流波形,同理,DCM模式是三角波而CCM模式是梯形波。
C.MOS管的Vds波形,DCM模式下,在下一个周期开通前,Vds会从Vin+Vf这个平台降下来发生阻尼震荡(Vf次级反射到原边的电压);CCM模式下,在下一个周期开通前,Vds一直维持在Vin+Vf的平台上。
因此可以很容易从波形上看出来反击电源是工作在DCM还是CCM状态。

3. MOS管开通与关断瞬间的Vds波形分析
(1)DCM模式

A. 从上面MOS管的波形可以看出,在MOS关断时,MOS上的尖峰电压远超过Vin+Vf, 这是因为变压器的初级有漏感Lk,漏感的能量是不会通过磁芯耦合到次级的。
MOS在关断的过程中,漏感的电流也是不能突变的,而漏感的电流变化也会产生感应电动势, 这个感应电动势因为无法被次级耦合嵌位,所以电压会冲得很高。
为了避免MOS管被这个尖峰电压击穿损坏,一般设计时会在初级侧加上一个RCD吸收缓冲电路,把漏感的能量先存储在电容(C)上,然后在通过电阻(R)消耗掉。
B. 当变压器次级电流降到零时,磁芯的能量已经完全释放了。那么因为次级整流管电流 降到了零,二极管也就自动截止了,次级相当于开路状态,输出电压不在发射到初级。
由于此时的MOS管上Vds电压高于输入电压Vin,所以在电压差的作用下,MOS管的 结电容和初级点感发生谐振。谐振电流给MOS管的结电容放电。
Vds电压开始下降, 经过1/4个谐振周期后又开始上升。由于RCD嵌位电路以及其他寄生电阻的存在,这 个振荡时个阻尼振荡,幅度会越来越小。
(2)CCM模式

在CCM模式下,MOS管关断的尖峰与DCM中产生的原理是一样的,只是少了后面的振荡而已。
〈烜芯微/XXW〉专业制造二极管,三极管,MOS管,桥堆等,20年,工厂直销省20%,上万家电路电器生产企业选用,专业的工程师帮您稳定好每一批产品,如果您有遇到什么需要帮助解决的,可以直接联系下方的联系号码或加QQ/微信,由我们的销售经理给您精准的报价以及产品介绍
联系号码:18923864027(同微信)
QQ:709211280