反激式开关电源
反激式开关电源是指使用反激高频变压器隔离输入输出回路的开关电源。“反激”指的是在开关管接通的情况下,当输入为高电平时输出线路中串联的电感为放电状态;相反,在开关管断开的情况下,当输入为高电平时输出线路中的串联的电感为充电状态。
正激式开关电源
正激式变压器开关电源输出电压的瞬态控制特性和输出电压负载特性,相对来说比较好,因此,工作比较稳定,输出电压不容易产生抖动,在一些对输出电压参数要求比较高的场合,经常使用。
主要区别
正激反激主要区别在高频变压器的工作方式不同但它们在同一象限上。正激是当变压器原边开关管导通时同时能量被传递到负载上,当开关管截止是变压器的能量要通过磁复位电路去磁。
反激是和正激相反,当原边开关管导通时给变压器存储能量。但能量不会加在负载上,当开关管截止时,变压器的能量释放到负载侧。正激开关电源,后面多的那个二级管是续流二级管,一般输出部分还会多加一个储能电感,正激和反激最重要的区别是变压器初次级的相位是反相的。
最大区别
正激与反激的工作最大区别是,当开关管关断时,正激的输出主要靠储能电感和续流二级管来维持输出,而反激的输出主要靠变压器次级释放能量来维持输出。正激电路不宜做多路输出,正激电路要用脉宽调整做稳压必须在次极整流以后串电感,不然输出电压主要由输入决定,与脉宽影响不大,脉宽只影响输出纹波。
如用正激电路做多路输出原理上存在的问题:如每路输出不用电感,那么对输入变化没有稳压作用,且没有开关电源应有的安全性。如果每路加电感:那么输出电压在理论上与负载大小有关,不参与反馈的回路就不正。
反激电路在原理上就适合多路输出稳压。反激电路首先储能,后把能量按各路的电压比率供应给每一路,先可以认为每路的输出比例是不变的(实际有误差看下面),按电流谁需要多给谁多的原则分配。
应用区别
正激式变压器不蓄积能量,只担负偶合传输,反激式变压器需把开通过程中的能量蓄积在本身,关断过程中再释放:正激式绕组同相位,反激式绕组反相;正激式变压器不用调节电感值,反激式需调节。正激式工作存在剩磁为防饱和需消磁电路,本身不蓄能需要蓄能线圈和续流二极管,反激式不用。
反激主要用在150-200瓦以下的情况,正激则用在150w到几百瓦之间。之所以反激更广范就是因为我们日常中100w以下的电源比较常见,应用比较常见,所以也就比较广泛啦。原理就是一个通过储能再通过变比进行变压的,一个是直接通过变比进行变压的。正激初级绕组同名端都是正极所以叫正激,反激一个在正,一个在负所以叫反激。
反激式可做小功率,成本低,调试相对简单些,所以在小功率电源中常用。它们的区别:主变压器方面, 正激的需增加消磁绕组,当然也有的用增加两个二极管在主绕组进行消磁,无论如何正激电源必须增加消磁回路。反激不用增加输出储能电感,因为能量能储存在次级线圈中 ,正激须增加输出储能电感,且整流部分需增加续流二极管。
一般在100W以内我们习惯用反激拓扑来做,超过100W的用正激比较合适。为何?
在计算反激开关电源时,反激功率做得越大,原边电感量肯定是越小的,这跟拓扑的特性有关,我们先来分析一下反激的工作过程:

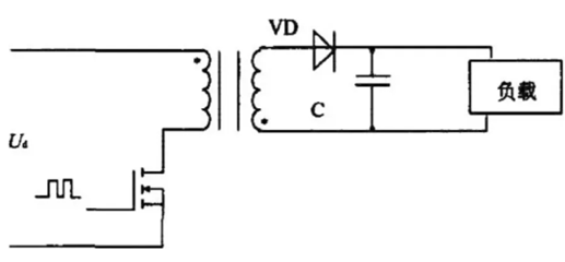
上图为反激的基本拓扑,当MOS开关管开通时,变压器原边绕组上正,下方,此时变压器副边绕组上负下正,整流二极管VD截止,在MOS开通的时段,变压器的励磁能量由于没有通路释放从而全部存储在变压器中。
当MOS开关管关闭之后,变压器原边绕组电位变成下正上负,根据同名端,此时副边绕组的电位为上正下负,整流二极管VD导通,变压器释放能量,磁芯复位。
就是这样周而复始,使输出稳压。
由于这种不断存储又释放存储又释放的工作模式决定变压器的是很容易饱和的,为了控制变压器不饱和,通常的做法就是加气隙。
为了方便,我们用反激DCM的公式,简单说明一下:

Lp:原边感量,Ip:原边电流,Vin最低输入电压,D:占空比,P输入功率,f开关频率
我们通过几个简单的公式就可以看出,反激电源的原边电感量是受到了限制的。

再通过上面的公式,可知感量和Lp和峰值电流定了之后,要使磁芯不饱和,我们只能通过增大Np匝数来降低磁通密度,Np增大了,Lp是定了磁芯必然要加气隙。有计算经验的人都知道,反激变压器尤其是功率打了变压器感量都是比较小的。
下面我们来看看正激:

上图为正激电源的基本拓扑,开关MOS管开通时,原边绕组NP1为上正下负,根据同名端判定此时副边绕组NS也为上正下负,输出整流二极管VD1是导通的,原边导通的同时副边也导通,能量每个周期都能够得到即时释放。
变压器不存在存储阶段,虽然原边也有比较大的电流,但这电流大部分都是由副边折射过来的,初级和次级是同时有电流的,而且产生的磁感应强度相等,方向相反,当负载变重,初级电流也相应加大,抵消了磁芯磁场的变化,所以正激不用考虑正激的电感量的大小,绕多大就是多大。
当然别忘记还有一部分励磁电流,但由于电感量很大励磁电流是很小的,开关MOS开通时,(不考虑功率部分,只考虑励磁电流)变压器原边电感上阵下负,励磁电流线性上升,等到开关MOS关闭时,NP1绕组下正上负,此时通过同名端可知,NP2上正下负D1导通,原边电感存储的励磁能量通过NP2和D1释放出去,返回到输入大电容上,磁芯复位。当然变压器也存在漏感,这部分漏感就生了正激的尖峰电压。
通过上面的对比,我们可知,同样一个功率变压器,可得到如下结论。
1、反激变压器的电感量很小,而正激变压器的电感量很大。
2、反激变压器通过副边输出绕组复位,正激变压器有专门的复位绕组复位。
3、反激变压器需要复位的励磁能量但同时也是整个功率部分的能量,正激变压器复位的也是励磁部分的能量,但这个励磁能量不包含功率部分的能量(暂且用能量这个词,能明白就好)。
结论分析:
首先说反激,电感量跟正激比很小的。我们都只到变压存在的漏感与很多因素有关,由于感量小,变压器只要有一点漏感,这个漏感在整个原边电感的占比是比较大的,而电感的能量1/2*Lp*Ip^2在电感和漏感中的比例是按照感量大小的比例来分配的,一旦漏感比例大了,漏感中存储的能量是不能转化到副边,大部分是通过其它通路来消耗(转换成损耗)的,可想而知,功率越大,感量越小,漏感比例越容易变大,造成的损耗也将越来越大,不但损耗超大而且这个漏感造成的尖峰将随功率的增大而越来越大,非常难处理,或者说到了一定的功率量,根本无法处理。
我们再看正激,电感量跟反激比是很大的。由于感量大,变压器就算有一定的漏感,但这个漏感在整个变压器中所占的比例也是比较小的。漏感占比很小,浪费的能量肯定比较小,所产生的尖峰也很好处理。
通过上面的简单描述,我相信大家也明白为何反激电源的功率就是做不大?并且还可以印证我们平时测量反激时DS尖峰是比较高的,而正激DS尖峰是非常小的。
〈烜芯微/XXW〉专业制造二极管,三极管,MOS管,桥堆等,20年,工厂直销省20%,上万家电路电器生产企业选用,专业的工程师帮您稳定好每一批产品,如果您有遇到什么需要帮助解决的,可以直接联系下方的联系号码或加QQ/微信,由我们的销售经理给您精准的报价以及产品介绍
联系号码:18923864027(同微信)
QQ:709211280