1.直流电源的框图
下图为直流电源的框图。

2. 半波整流
利用二极管的单向导通性,实现半波整流。

3. 全波整流
在实际电路中多采用单相全波整流电路。在整个周期内负载的电压和电流方向始终不变,效率提高一倍。

4. 滤波电路
电容滤波:小电流负载,利用大电容的充放电时延实现滤波。

电感滤波:大电流负载;

LC滤波:各种场景。

5. 稳压管稳压
由于电网电压的波动,负载的电压会有波动。又由于整流滤波电路的内阻,当负载变化时,输出电压也会变化。所以必须采用稳压措施。
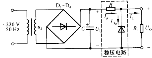
下图为稳压管电路:

在稳压管稳压电路中,只要保证稳压管工作在稳压区,即 Izmin

对任何稳压电路都要从两个方面考虑:电网的波动和负载的变化。这里分析一下电网的波动。
电网电压↑ → U1↑ → Uo↑ → IDz↑ → IR↑ → UR↑ → Uo↓,实现稳压功能。
〈烜芯微/XXW〉专业制造二极管,三极管,MOS管,桥堆等,20年,工厂直销省20%,上万家电路电器生产企业选用,专业的工程师帮您稳定好每一批产品,如果您有遇到什么需要帮助解决的,可以直接联系下方的联系号码或加QQ/微信,由我们的销售经理给您精准的报价以及产品介绍
联系号码:18923864027(同微信)
QQ:709211280